

兰州新区管委会办公室关于印发《兰州新区“十四五”城乡基础设施建设发展》的通知-捕鱼网
新区各园区管委会,各部门、各单位,新区各国有集团公司,省属驻区各单位:
《兰州新区“十四五”城乡基础设施建设发展规划》已经兰州新区2021年第40次管委会会议审议通过,现印发给你们,请认真组织实施。
兰州新区管委会办公室
2021年12月28日
兰州新区“十四五”城乡基础设施建设发展规划
二〇二一年十二月
前 言
城市基础设施是城市中为顺利进行各种经济活动和其他社会活动而建设的各类设备的总称。一般指包括交通系统、能源系统、通信系统、环境系统等多个行业的工程性设施。城市高效运行与良性发展离不开城市基础设施的保障。强化城市基础设施建设对于增强城市综合承载力、实现智慧城市战略任务、改善人居环境、提高城市运行效率具有重要意义。
“十四五”时期,兰州新区秉承着创新、协调、绿色、开放、共享发展理念,围绕改善民生、保障城市安全、投资拉动效应明显的重点领域,以绿色智慧为引领,重点针对城市交通、能源供给(燃气、供热)、环境卫生、新型城镇化、智慧城市、新基建、给排水工程、绿地工程、夜景照明及住建领域相关行业编制《兰州新区“十四五”城乡基础设施建设发展规划》(以下简称《规划》)。
本《规划》以《甘肃省国民经济和社会发展第十四个五年规划和二〇三五年远景目标纲要》、省市级专项规划、相关政策文件,以及《兰州新区“十四五”国民经济和社会发展规划和二〇三五年远景目标纲要》、《兰州新区黄河流域生态保护和高质量发展实施规划》和《兰州新区国土空间总体规划(2021-2035)》等作为编制依据,是指导新区“十四五”基础设施建设的行动指南。《规划》范围以现有3镇(中川、西岔、秦川)为核心(面积819平方公里),融合发展5镇(上川、黑石、石洞、水阜、什川),全域规划范围面积共2845平方公里。规划基准年为2020年,规划期为2021-2025年,远期展望2035年。
目 录
第一章 发展回顾……………………………………………………………………………………1
一、城市道路加速建设,路网容量大幅提升……………………………………………………………1
二、燃气设施有序建设,普及率稳步提高………………………………………………………………2
三、供热设施稳步建设,供热能力持续提升……………………………………………………………3
四、垃圾收运日趋完善,无害化处理取得成效…………………………………………………………3
五、新型城镇化高效推进,城乡发展稳步提升…………………………………………………………5
六、智慧城市初显成效,创新发展不断增强……………………………………………………………6
七、新基建发展迅速,大数据加快崛起…………………………………………………………………8
八、给排水体系初成,供给能力大幅提升………………………………………………………………10
九、城市绿化稳步推进,环境品质有效提升……………………………………………………………11
十、夜景照明逐步亮化,城区景观规模初成……………………………………………………………12
第二章 存在的问题…………………………………………………………………………………13
一、道路结构不够合理,慢行系统有待提升……………………………………………………………13
二、燃气气源单一,供气可靠性不足……………………………………………………………………14
三、热源结构单一,管网系统结构薄弱…………………………………………………………………15
四、垃圾收运体系不够完善,处理设施有待加强………………………………………………………16
五、城镇化发展相对缓慢,精细化管理有待加强………………………………………………………16
六、智慧城市政策薄弱,数据信息相对滞后……………………………………………………………18
七、新基建缺乏统筹部署,资源未合理利用……………………………………………………………19
八、给排水系统有待提升,管网衔接不畅………………………………………………………………20
九、绿化缺乏系统规划,管养能力有待提升……………………………………………………………22
十、景观照明缺乏规划,特色不够鲜明…………………………………………………………………23
第三章 发展趋势……………………………………………………………………………………25
一、发挥战略引领,铸造新高度…………………………………………………………………………25
二、贯彻战略构想,引领新方向…………………………………………………………………………25
三、把握时代潮流,拓展新领域…………………………………………………………………………26
四、依托平台优势,催生新动力…………………………………………………………………………27
第四章 总体要求和发展目标………………………………………………………………………28
一、总体要求………………………………………………………………………………………………28
二、基本原则………………………………………………………………………………………………31
三、总体目标………………………………………………………………………………………………32
四、专项目标………………………………………………………………………………………………32
第五章 主要任务……………………………………………………………………………………42
一、加快道路建设,构筑便捷交通………………………………………………………………………42
二、拓展气源领域,保障民生用气………………………………………………………………………52
三、完善供热格局,推进热源建设………………………………………………………………………54
四、完善环卫体系,建设无废城市………………………………………………………………………55
五、促进城镇化发展,提高城镇化水平…………………………………………………………………59
六、推进数据产业,发展智慧城市………………………………………………………………………61
七、推进新基建,抢抓新机遇……………………………………………………………………………63
八、加强三水建设,健全保障体系………………………………………………………………………65
九、健全绿地体系,共享绿色生活………………………………………………………………………73
十、提升城市夜景,塑造新区景观………………………………………………………………………76
第六章 融资模式……………………………………………………………………………………78
一、建立多元化投融资渠道………………………………………………………………………………78
二、创新城市基础设施投融资和运营模式………………………………………………………………78
三、推进基础设施reits建设………………………………………………………………………………79
第七章 保障措施……………………………………………………………………………………80
一、加强组织保障,坚持规划引导………………………………………………………………………80
二、深化项目储备,加快项目推进………………………………………………………………………81
三、加大财政投入,扩大融资渠道………………………………………………………………………81
四、加强政策研究,创新体制机制………………………………………………………………………82
五、强化监管督查,提高执法水平………………………………………………………………………83
第八章 城市相关专业规划…………………………………………………………………………85
一、 提升宜居水平,稳定住房市场……………………………………………………………………85
二、 推动建筑业发展,提升行业实力…………………………………………………………………87
三、 推进停车设施建设,优化停车环境………………………………………………………………100
四、 推进户外广告空间规划管理………………………………………………………………………104
五、 人民防空规划建设…………………………………………………………………………………106
六、 电力发展规划建设…………………………………………………………………………………107
附图…………………………………………………………………………………………………………129
第一章 发展回顾
兰州新区是国务院批复的第五个国家级新区,是“一带一路”倡议上的重要节点城市,是西北地区重要的增长极、国家重要的产业基地、向西开放的重要战略平台和承接产业转移的示范区。
“十三五”期间,新区坚持科学化建设、市场化运营、精细化管理,城乡发展与基础设施建设取得显著成效,宜业宜居、绿色生态、便捷智慧的现代新城初步形成。新区高举创新驱动,优质高效保障国家和省列重大项目建设;统筹空间、规模、产业三大结构,人气、商气更加浓厚,群众生活更加便捷;基础设施日趋完善,城市道路、绿化品质大幅提升,给排水、燃气、供热、通讯管网初成体系;交通、医疗、市政等实现智能化远程调度,全力打造全国绿色智慧城市,获评“2019绿色发展优秀城市”、“2019年中国领军智慧城区”。“十三五”期间城乡基础设施建设和城市管理水平迈上了新台阶,为“十四五”时期城乡基础设施建设发展积累了宝贵经验,奠定了坚实基础。
一、城市道路加速建设,路网容量大幅提升
“十三五”期间,兰州新区以加快综合交通运输体系建设为核心,全力改善内外交通条件,交通发展大幅提速,在铁路、公路、城市道路等各方面取得了较大成就,交通区位优势进一步得到巩固。特别是城市路网结构进一步完善,路网容量大幅提升。
至2020年底,新区快速路、主干路、次干路、支路等各等级道路总里程达640km,已基本形成“十四横八纵一联”的方格网布局。“十三五”期间,兰州新区通车道路达176条,通车里程640km。快速路通车6条,共90.5km,包括经十五路、北快速路等,主干路通车30条,共255.2km,包括经一路、经七路等,次干路通车58条,共161.2km,包含纬二路、经二路等;支路通车82条,共133.1km。

二、燃气设施有序建设,普及率稳步提高
兰州新区气源为中石油“兰银”线,设计压力10兆帕,管径为dn600。已建输气管道设计压力10.0兆帕,管径dn500,长约12.47公里,起点为“兰银”线3号阀室,终点为兰州新区1#门站。
截止2020年底,建成现状门站1座(供气能力为20万标准立方米/小时),高中压调压站1座,燃气高压管线12.466公里,次高压管线16.745公里,中压管线245.758公里,投运阀井586座,调压柜374座;燃气加气站5家,液化石油汽充装站2家;累计完成居民用户通气点火40943户,2020年门站输气量1.20亿m³。
三、供热设施稳步建设,供热能力持续提升
“十三五”期间,兰州新区已建成供热管网2×181.5公里,换热站147座。其中华能热力建设完成供热管道2×77公里、换热站39座,双良热力建设完成供热管道2×94.5公里、换热站97座,市政热力建设完成供热管道2×10.5公里、换热站11座,石化集团建设完成供热管道2×5公里、汽水换热站2座。
兰州新区2020-2021年度采暖期建成区供热总面积1600万平方米,其中居民用热面积996万平方米,非居民用热面积604万平方米;燃煤锅炉供热面积1445万平方米;燃气锅炉供热面积162万平方米。
四、垃圾收运日趋完善,无害化处理取得成效
“十三五”期间,兰州新区积极建设生活、建筑垃圾无害化处理设施,全面提升了垃圾无害化、减量化、资源化综合处理水平;建成1座一般工业固废场,日处理能力600吨,总库容100万立方米;建成西岔园区生活垃圾中转站2座,日转运能力50吨。

兰州新区生活垃圾无害化处理率达到100%,各项环卫事业有序推进,具体体现在以下几方面:
(一)道路清扫保洁。兰州新区清扫保洁覆盖191条市政道路,道路总长度556.54公里,清扫保洁面积为2367.66万平方米,其中机扫面积1941.16万平方米、人工清扫面积426.5万平方米。
(二)生活垃圾收运。兰州新区现有生活垃圾中转站7座,中川5座、西岔2座,每日处理能力50吨/座,服务半径约为5公里/座。生活垃圾收运2019年总收运量62611.1吨、2020年总收运量50517.28吨、2021年1-7月28435.25吨。
(三)生活垃圾填埋处理。兰州新区生活垃圾填埋场位于新区王家沟,设计规模130万立方米,累计填埋处理生活垃圾21.73万吨,2019年处理量6.26万吨、2020年处理量5.05万吨、2021年1-7月2.84万吨。
(四)污泥处置。兰州新区生活垃圾填埋场于2019年4月在填埋场库区内划分出污泥前端处置区,用于生活污泥处置工作。结合实际情况,利用石灰稳定技术对污泥开展脱水,将污泥含水率控制在45%以下,作为生活垃圾覆盖土添加料,累计处置污泥共计6.56万吨,2019年处置量2.11万吨、2020年处置量2.98万吨、2021年1-7月处置量1.47万吨。
(五)固化飞灰处置。兰州新区生活垃圾填埋场于2017年8月起开始接受处理兰州市中铺子生活垃圾焚烧发电厂螯合固化后的飞灰。在填埋库区中划分出专区用于填埋处置固化飞灰,累计填埋处置固化飞灰6.43万吨,2019年总处置量1.15万吨、2020年总处置量0.23万吨。
(六)工业固废处置。兰州新区一般工业固体废弃物处置场位于中川镇龙泉沟,设计日处置量600吨,总库容100万立方米,该处置场于2019年7月进场试运行。固废累计处置0.6万吨,2019年总处置量0.19万吨、2020年总处置量0.23万吨、2021年1-7月总处置量0.18万吨。
(七)公共厕所。兰州新区共建成投入使用管护公厕86座,其中星级公厕4座、固定公厕9座、生态景观公厕24座、移动公厕21座、农村公厕25座、轮式公厕1座、大巴公厕2辆。
五、新型城镇化高效推进,城乡发展稳步提升
加快推进新型城镇化是党中央作出的重大战略部署,是促进经济持续健康发展的重大举措。新区在经济社会方面正处于全面建成小康社会和加速推进转型跨越发展的重要阶段。必须深刻认识城镇化对经济社会发展的重大意义,准确把握城镇化发展的新趋势、新特点,牢牢抓住城镇化蕴含的巨大机遇,坚持科学发展,遵循发展规律,明确未来新区城镇化发展的路径、主要目标和战略任务,统筹相关领域体制改革和制度创新,努力探索走出一条符合新区实际的新型城镇化发展路子。
(一)城镇人口持续增加。近年来,新区城镇化率年均显著提高,城镇基础设施建设步伐加快,城市面貌日新月异,城镇经济的繁荣发展吸纳了大量的农村转移劳动力。国家级新区平台带动作用集中发力,呈现出经济高质量发展、社会和谐稳定、环境优美靓丽的崭新局面。
(二)产业体系逐步完善。2019年,新区生产总值增长17.1%,其中工业增加值增长25%,批发业销售额1100亿元、增长35%。固定资产投资增长20%,其中工业投资增长67%。税收收入实现31亿元、增长22.6%。一般公共预算收入实现17.6亿元、增长16%。招商引资引进产业项目136个、增长24.8%,投资660亿元、增长18.7%。八大国有企业主营业务收入突破500亿元、增长120%,其中商投集团达360亿元并进入全省国有企业前10强。
(三)重点领域改革逐步推进。新区政策机制进一步完善,户籍、教育、社会保障等制度改革明显加快。城乡一体的就业制度正在形成,覆盖城乡的基本公共服务均等化制度正在建立,土地产权保护等制度不断完善。城镇职工基本医疗保险和城乡居民基本医疗保险参保人数持续增加,农村集体土地所有权确权登记颁证基本完成,为推进城镇化提供了有力支撑。
六、智慧城市初显成效,创新发展不断增强
“十三五”期间,兰州新区大数据产业快速聚集,产业规模不断壮大,产业效应日益凸显,正在加速抢占“一带一路”信息制高点。围绕数据聚集、融通、应用,着力发展大数据服务平台,培育大数据核心产业和关联产业,现已初步建成大数据共享平台,智慧城市运营中心、智慧政务、智慧医疗等项目建成运营,获“2017年、2018年中国智慧城市创新奖”、“2018年智慧城市十大特别推荐考察目的地”、“2019中国领军智慧城区”等殊荣,已成为国家级新区智慧城市标杆。
(一)推进大数据产业项目建设。规划5000亩云计算和数据中心产业园,已引进落地中国移动数据中心、中国电信数据中心、国网云数据中心、华为云计算中心等大数据和信息化产业项目35个,其中数据中心项目9个,已建成运营数据中心4个,装配机架已达到2万个。依托北科维拓积极引进智能制造企业,打造西北地区智能设备生产基地,北科维拓三维智能制造产业园建成投产,三维数字应用平台和智能设备面向全省推广应用。加强数据信息初创企业孵化培育,扶持帮助初创企业快速成长并转化成果,培育完善的信息技术产业链。
1.中国移动“丝绸之路西北大数据产业园”计划建设机架18000个,为政府和企业提供“互联网 ”的云计算存储和大数据分析的基础设施,一期已建成运营。
2.中国电信西北云计算大数据中心计划建设机架20000个,为政府、企业、公众提供电信级、高可靠的云基础资源和云平台应用,一期已建成运营。
3.兰州新区大数据产业园计划建设机架4000个,面向政府、企业提供机架租赁业务、机架服务器托管业务、带宽租赁业务、云计算业务、超算业务、异地备份和大数据分析业务,现已完成一期全部建设内容。
4.华为技术有限公司计划投资5亿元与新区管委会合作建设兰州新区华为云数据中心,三年共装配3000个机架,面向政府、企业提供基础软硬件资源服务,包括云服务器、云虚拟专用网络、云安全、云运维等内容。目前,已完成网络安全平台部署、设备服务器及网络设备安装,云计算软件平台上线运行,为新区教体局、城建和交通局、自然资源局、财政局等部门提供云服务。
5.中科曙光计划投资5亿元与新区管委会合作建设曙光甘肃先进计算中心,打造西北地区最大的先进计算中心,目前已完成硅立方建设,开始为甘肃省公安厅提供视频结构化服务开展相关业务。
6.国网云数据中心总投资50亿元,计划建设机架20000个,计划于2021年完成一期项目建设,面向政府和企业提供主机托管、网络安全、大数据应用、电力行业数据发掘分析等安全可控、经济高效的数据服务。
7.三维大数据物联网智能制造产业园总投资10亿元,打造西部最大的智能制造产业基地,重点研发和生产三维数字便民自助终端、维拓智能家居、三维智能交通、三维智能机器人和射频芯片标签等产品。
七、新基建发展迅速,大数据加快崛起
“十三五”期间,兰州新区以科技进步为支撑、改革创新为动力、人才集聚为基础,不断创新体制机制,积极发展大数据、大科学装置等高新技术产业,全力打造创新创业要素集聚区和国家级大数据产业示范基地。大数据、云计算、5g等多个“新基建”领域在全国率先起跑,取得了令人瞩目的成绩。
(一)兰州新区积极部署实施新型智慧城市建设,推进兰州新区数字化转型发展,已引进落地移动、电信、国网云数据中心,华为、中科曙光等大数据和信息化产业项目39个,总投资366亿元。蓬勃发展的新区大数据产业正在成长为国家大数据产业特色高地、丝绸之路国际数据枢纽和西部地区经济发展核心引擎。
(二)兰州新区大数据中心是集政府信息云服务支撑、大数据处理、智慧城市云服务集控管理、先进计算等于一体的大型绿色数据产业园区。项目一期总建筑规模12万平方米,目前,1#idc、智慧城市运营中心、动力楼已建成投运,产业研发楼、2#idc即将投运,建成后2个idc机房可提供4800个机架。
(三)“十三五”期间,兰州新区积极建设通信基础设施,通信铁塔、楼宇室分站数量逐年增加,通信基础设施共建共享率稳步提高。截止2019年1月,兰州新区共有存量塔类站址514个,其中主要为地面塔。全市514个站址中,服务于中国移动的站址373个,服务于中国联通的站址130个,服务于中国电信的站址211个。一家独享的站址有346个,两家共享的站址有136个,三家共享的站址有32个,塔类共享率为39%。

截至2018年底,兰州新区已建设微站站址398个,其中服务于中国移动的站址数为36个,服务于中国电信的站址数为362个,服务于中国联通的站址数为0个。从分布的场景来看,主要分布于商业区。全区域共有楼宇室分站址11个,覆盖面积133.6万平方米。
八、给排水体系初成,供给能力大幅提升
(一)供水设施加快建设,供水能力不断提高。目前兰州新区已建成2座给水厂,第一给水厂规模为20万立方米/日,以石门沟水库为供水水源;尖山庙水厂规模为1.5万立方米/日,以尖山庙水库为供水水源。石门沟水库和尖山庙水库均为引大入秦工程的调蓄水库。现有约50条道路(全段或部分路段)铺设给水管道,大部分采用双侧布管,管径为dn200-dn1600毫米,总长约700公里。
现状出厂水质合格率为100%,管网末端水质合格率为98%,城市供水普及率为100%。截止2020年底,城市供水管网漏损率为9.72%, 较上年度下降0.08%。“十三五”期间有序完成兰州新区配套供水设施建设,新区供水能力和供水安全水平不断提高。
(二)污水设施逐步完善,处理能力有效提升。已建成并运行的污水处理工程有兰州新区第一污水处理厂,设计规模5万吨/日,目前平均处理量规模4.6万吨/日;兰州新区职教园区东中心处理站,设计规模2.0万吨/日,目前处理规模1.5万吨/日;建成兰州新区第四污水处理厂,设计规模为5.0万吨/日;兰州新区第二处理厂临时处理站,目前处理能力200吨/日。
建成兰州新区1#污水泵站,现状规模为0.3万吨/日;5#污水泵站,现状规模为2万吨/日;4#污水泵站,现状规模0.3万吨/日。截止2020年底,兰州新区已建成污水管网为1046.44公里。“十三五”期间,兰州新区积极完善污水系统,有效解决了核心区、建成工业区、职教园区、东南片区等地区污水处理问题,目前已启动第一污水处理厂提标改造工程。
(三)防洪排涝加快建设,应急能力不断增强。“十三五”期间,兰州新区通过推进雨水中通道工程建设,建成断面为5米×5米雨水中通道一期及二期工程,共计14公里,并开工建设雨水中通道北延工程及南绕城北侧雨水调蓄工程,同时随道路建设,双侧布置雨水管道,现状雨水管道总长度约670公里。
九、城市绿化稳步推进,环境品质有效提升
全面推进新区绿化建设,绿化事业整体水平居全省领先位置。十三五期间,共计完成绿化景观类提升改造项目12个、绿化景观类新建项目6个。新区整体森林覆盖率13.8%,建成区绿化覆盖面积427万平方米,绿化覆盖率35.6%,建成区绿地率35%,已达到国家园林城市标准。公园绿化面积556万平方米。截止2020年底,兰州新区人均公园绿地面积为19.1㎡。
科学治理“山水林田湖草”,把垄丘缓坡修复成高标准农田、生态用地,系统性解决干旱、风沙、盐碱、水土流失。此做法,为黄河上游黄土高原地区生态治理、绿色发展探索出了新路径。兰州新区获评“2019绿色发展优秀城市”。
十、夜景照明逐步亮化,城区景观规模初成
良好的城市夜景观是城市夜经济发展的基础,而科学合理的夜景照明规划,则是实现良好城市夜景观的前提与保障。兰州新区自2012年设立至今,中心城区整体夜景已初步形成规模,展示出了新区的高速发展成果。经过多年的城市规划与建设,兰州新区的城市夜景观生机盎然,具有建筑、景观、道路、桥梁、水系、山体、公园等丰富的夜景灯光载体,且夜景灯光建设已有一定基础。
第二章 存在的问题
一、道路结构不够合理,慢行系统有待提升
(一)路网结构有待完善
1.路网布局规划滞后。经过“十三五”的大力发展,新区主次干道路网骨架已基本形成,如机场南部片区组团、职教园区、化工园区等。但仍有包括区域中心组团、南部文化产业等片区在内的功能组团路网建设滞后,应提前做好“十四五”建设规划,确保城市建设有序推进。
2.道网级配不合理。新区目前道路网络体系中,主干路及以上等级的道路占比约54.0%,次干路与支路占比约46.0%,特别是支路仅占比20.7%。作为承担城市道路“毛细血管”功能的支路系统,对于城市交通流平衡分布、公交车辆深入社区的功能巨大,新区支路系统明显建设不足。而且新区70%的支路系统位于南部的滨湖片区,而这其中一半以上的都在服务人口流动较少的地区。低密度、低覆盖率的街巷支路系统,对居民生活品质有一定的影响。
(二)道路功能定位不准确
1.道路功能与城市用地匹配度差。新区建成的干道基本上都是采取“三幅路”的交通性主干道断面形式,并没有根据沿线用地性质针对性划分道路功能。主干道功能定位单一容易导致以下问题:
(1)在商业、住宅区,交通性主干道对于城市功能的分割作用明显,交通与土地利用结合品质较差,严重限制了道路两侧生活功能的交流,影响了城市活力的提升。
(2)“三幅路”的断面形式虽然保证了主线道路的通行效率,然而牺牲的是沿线地块的交通进出便利性,地块机动车流需右转进出辅道。
(3)新区很大比例交通干道都在辅道上设置机动车停车位,导致大量道路面积用于停车,制约路外停车场的发展。
2.街区尺度过大,与“窄马路、密路网”理念相左。目前新区街区尺度普遍偏大。大地块、宽马路的路网格局,并不能有效纾解交通压力。交通出行路线的可选择度较低,大量的地块内部出行车辆与外部过境车辆集中在有限的几条
主要道路,后期反而更易在道路交叉口造成车辆拥挤和堵塞。
(三)慢行交通系统有待提升
新区道路交通系统的设计仍是车本位思想,缺少对行人及自行车等慢行交通的关注。比较典型的如主干道上设置机动车停车位,压缩了非机动车通行空间,导致辅道上非机动车与机动车混行,严重影响了非机动车出行安全。此外,过宽的干道系统中缺少如行人过街安全岛,行人过街安全性难以保障。随着公众环保意识的逐渐提升,人们已越来越倾向于绿色出行,故新区欠缺慢行系统、人行道铺装品质较低已成为“十四五”期间新区市政道路亟待完善的重点问题。
二、燃气气源单一,供气可靠性不足
(一)燃气设施建设滞后,供气能力与可靠性不理想。
兰州新区建设发展区域分散,东西南北各区域均处于不同程度建设发展阶段,燃气设施布局不合理,北部供气设施建设滞后。
(二)气源供应单一,可靠性差。目前从兰银长输线路3号阀室提供气源,由1号门站向新区供气。
(三)燃气输配系统不完善。多为支状管网,北部片区供气能力较低。管网建设不合理,已建调压站服务半径过大,断头管网多,供气安全可靠性及经济性较差。
三、热源结构单一,管网系统结构薄弱
(一)清洁能源供热有待提高。未能充分挖掘可再生能源,现状可再生能源利用潜力开发不足。
(二)热电厂建设缓慢影响供热。第一热电厂难以投运,在原规划中热源厂供热占比较大,如不能按规划实施,将对新区供热发展影响较大,供热系统亟待研究调整。
(三)局部管网设计建设与规划布局不协调。供热管网不满足职教园区的用热需求,职教园区处于系统供热末端,管道规模无法满足供热品质。
(四)住宅和市政管道与供热管网、换热站不协调。用户预留的热力站位置与热力公司预留的热力站支线位置并不一致,热力站距预留支线口较远,致使热力站支线在园区内绕道敷设,造成园区内道路开挖量大,与园区内其他管道、管沟等交叉碰撞,增加供热管道阻力,施工难度加大。热力线路与市政管道的主线相交时,缺少竖向协调,使得管道施工难度增加。
(五)城区拓展配套建设不协调。供热管网建设时序难以与道路建设同步,造成项目建成后道路重复开挖。
四、垃圾收运体系不够完善,处理设施有待加强
(一)垃圾分类问题。垃圾源头分类收集工作需提速,垃圾源头分类收集配套设施建设有待加强。
(二)收运体系问题。西岔园区目前仅有2座垃圾转运站,随着园区建设发展,收运设施尚需完善。秦川园区及待托管的水阜、上川两镇目前尚未建设生活垃圾转运站,生活垃圾是由大型压缩车收集后直接拉运至生活垃圾填埋场,运距较长,成本较高。
(三)厨余垃圾处理问题。兰州新区目前尚无厨余垃圾处理设施,餐厨垃圾资源化利用体制尚需完善。
(四)垃圾处理方式问题。兰州新区生活垃圾目前仅采用填埋方式处理,与“无害化、减量化、资源化”处理原则还有差距。
(五)生活垃圾处理场问题。生活垃圾填埋场目前除填埋处置生活垃圾外,还填埋处置生活污泥及生活垃圾焚烧发电厂螯合固化后的飞灰,目前剩余库容不多,预计2023年底当前库容全部被填完,需规划新的生活垃圾处理设施。
(六)医疗废弃物处理问题。兰州新区目前尚无医疗废弃物集中处置设施,医疗废弃物收运处置系统及管理机制有待健全。
五、城镇化发展相对缓慢,精细化管理有待加强
长期以来,兰州新区开放式的发展给新型城镇化带来诸多问题。主要表现在三个方面:一是土地城镇化快于人口城镇化,城市建设面积逐步扩大,但作为城镇化核心的人力资本积累相对不足;二是城镇空间布局结构不尽合理,不利于形成分工明确、布局科学、优势互补的城镇空间格局,同时城区空间品质有待提升;三是作为城镇化动力的产业支撑能力比较薄弱,需进行产业转型升级,构建城乡联动的产业模式,拓宽资本投入渠道。
(一)土地城镇化快于人口城镇化。在城镇化进程中,新区建成区面积快速扩大,新区人口的资本积累相对落后,进而出现了土地的城镇化快于人的城镇化的情况。当前,新区土地城镇化的速度与人口城镇化速度进行大于公认的弹性系数1.12,导致新区用地比较粗放,不利于提高城镇土地利用效率。
(二)城镇空间布局结构不够合理。城镇空间分布和规模结构不合理,与资源环境承载能力不匹配。新区城镇化潜力有待挖掘;城市布局不够合理,新区内部分工协作不够、集群效率不高;集聚产业和人口不足,潜力没有得到充分发挥;周边小城镇数量多、规模小、服务功能弱,这些都增加了经济社会和生态环境成本。
(三)城镇化的产业支撑能力比较薄弱。产业是新区发展的根基,也是新区新型城镇化过程中发挥城市和乡村纽带作用的前提。如果缺乏产业支撑,不利于吸引并留住一部分精英人群,将是新区新型城镇化发展过程中长期面临的难题。如何看待产业发展在新型城镇化中的支撑作用,以及如何通过产业发展有效促进新区就业等,是新区当前城镇化进程中必须着力解决的重要问题。
六、智慧城市政策薄弱,数据信息相对滞后
(一)大数据企业的奖励和补贴政策偏弱。贵州、山西、内蒙古、河南在企业补贴方面有《贵安新区关于鼓励入驻已建数据中心实施办法》、《山西省促进大数据发展应用的若干政策》、《内蒙古自治区促进大数据开发应用的若干政策》、《洛阳市支持大数据及电子信息产业发展若干政策》等相关政策。对于兰州市就新区大数据相关企业方面的支持,兰州市的政策偏向初期战略布局,就中期的战略发展阶段,对于新进企业的用地、用电、融资、税收补贴等方面并未出台详细的高级别政策性指示,实际支持力度偏弱。
(二)大数据人才鼓励政策不明晰。大数据为贵州省的gdp贡献了超过20%的比率,在人才培养方面贵州省有诸多政策,例如《关于贵阳国家高新区大数据“十百千万”培育工程的实施意见》、《云岩区大数据人才培养计划实施方案》、《关于加快大数据产业人才队伍建设的实施意见》等。对于人才培养方面的措施,兰州新区的相关政策目前只有模糊的战略轮廓,缺少人才培训研究机构,如何实现战略轮廓并未详细的指出,例如如何构建人才培养基地,如何对高、中、初三挡人才进行补贴等具体细节并未作出说明。
(三)大数据信息基础滞后。兰州新区现已建成国际通信专用通道,出口带宽先期开通40g,与江苏、贵州100g的出口带宽相比处于落后状态;互联网带宽出口中国移动为8t,中国电信带宽出口为6.6t,移动针对兰州新区大数据产业宽带收费为100m一年9.6万元,每百兆按65%递增,电信收费参考价为100m一年7至9万元,而国内其他发达地区1g带宽出口每年收费仅需9万元,价格远低于兰州新区互联网宽带收费标准。
(四)大数据产业聚集度低。贵州省近几年来,聚集了百度、京东、亿赞普、用友、曙光、浪潮、天云、中金数据等100余家大数据企业以及新浪、搜狐、奇虎等一大批互联网领军企业的中关村携手贵阳,在贵阳建设中关村科技园。科技园签约项目106个,有40多个北京的企业、科研院所、大学等到贵阳落户,投资达到174亿元。高密度、优布局的产业集群已使贵州成为中国数据产业的领跑者。反观兰州新区大数据产业规模虽然已形成初步雏形,但产业结构内容略显单一,产业聚集度偏低,在云计算、大数据、智慧城市、智能制造等领域缺乏核心竞争力,并且缺少大数据产业研究机构。
七、新基建缺乏统筹部署,资源未合理利用
(一)通信管网建设缺乏统筹。兰州新区通信管网建设与发展建设存在不同步的现象,局部地区还存在临时拉用的通信架空线路。通信管网建设缺乏统筹考虑,部分道路管孔已满,但相邻道路管孔未得到利用。
(二)铁塔空间资源紧张。根据新型基础设施建设情况,5g基站在尺寸、重量方面较传统天线有较大差异,对塔桅承载能力提出了更高的要求,同时多家电信企业共享也对空间资源要求较高。
(三)社会资源需求量大。随着5g站址密度增大、设备微小型化,下一步公共资源需求将大幅增加,特别是路灯杆、监控杆、电力杆等也将纳入5g 共建共享利用范畴。
八、给排水系统有待提升,管网衔接不畅
(一)供水保证率及安全有待提高
1.兰州新区现状供水水源主要依赖于引大入秦外调水,水源单一,受季节影响较大,现有调蓄设施能力不足。引大入秦工程是大型自流灌溉工程,以农林灌溉为主,其总干渠、干渠及支渠大多为明渠,供水季节性较强,目前取水保证率较低,现有水库调蓄库容较小,连续供水保证率低。
2.部分地区供水管网覆盖率不完善。南部文化产业片区供水管网覆盖率有待提升,化工园区东部片区(经四十一路以东)附近管网尚未覆盖,化工园区东部片区由单路供水,供水保证率不高。
3.供水管网系统分区不够合理,水压不够均衡。化工园区纬五十四路以北区域供水高峰时,供水水压偏低;纬一路和纬二十八路之间高程差约60-70米,中间区域无减压设施,纬一路和纬十六路之间区域供水水压偏高,片区内部供水漏损量有待优化。
(二)污水处理负荷较低,管道衔接不畅
1.新区城市建设速度较快,污水收集及处理设施建设有待提升,污水处理厂站负荷有待进一步提高。目前南部第三污水分区和化工园区还未配套建成污水处理厂站。由于污水收集管网系统不完善,部分污水处理厂整体运行效率有待提升。
2.部分污水管道衔接存在问题。由于规划面积大,发展过程不断调整规划路网,且污水管网由多家设计院进行设计,污水管网设计施工过程未能充分对接等因素,导致道路交口污水管道未平稳衔接。
(三)再生水设施建设滞后,管网建设有待优化
第四再生水厂已建成2万吨/日,但尚未投入使用;第一再生水厂已建成1万吨/日,但相关设备未配备;中水管道中无再生水,现有中水管道系统主要通过接入生活饮用水用于道路浇洒绿化,造成饮用水水资源浪费,且存在污染生活饮用水风险。中水系统未分中水主次干管,给再生水系统发展带来一定隐患。
(四)防洪排涝系统不完善,排出通道受限
1.由于缺少排放通道,上游雨水排放不畅,内涝压力较大。现状雨水中通道三期未建,西排洪渠西小川以南、纬二十八路以北段未建,东排洪渠未建,影响上游汇水区雨水正常排放。
2.现状雨水管网系统不完善,下游缺少排放通道。经三十六路(纬五十三路-纬五十四路)、纬五十三路(经三十六路-fd9#路)等31处雨水管网下游无雨水出路,大多通过临时雨水坑缓解内涝问题。
3.面临初期雨水污染风险。随着化工园区等工业区等初期雨水带来的水源污染,将大大增加对新区地下水及受纳水体污染的风险
九、绿化缺乏系统规划,管养能力有待提升
(一)城市绿地综合系统有待增强。缺乏绿地系统专项规划。新区尚未编制具有前瞻性、针对性、指导性和可操作性的城市绿地专项规划,对发挥城市绿地系统生态功能、彰显城市地域特色、传承历史文化等方面缺乏系统的指导性。城市绿线划定深度及与城市控规的编制衔接不足,增加了绿线管理难度。
(二)生态节约型园林绿化建设有待加强。园林绿地的生态效益有待提高。在城市园林绿化建设中,存在过分追求常绿树种植、乔灌植被配置模式化、重层次景观而忽略生态功能等不科学的建设现象,林荫道路在各类绿地建设中普遍被弱化。园林绿地建设在节水节材节能中的实践不足,海绵适宜技术、节能技术及材料等研究尚不系统,从规划设计到建设实施都没有予以足够的重视。
(三)公园绿地均衡性及品质有待提升。城市公园绿地体系不完善。城市公园绿地分布尚不够均衡,中心城区缺少绿地未根本改善;大、中、小公园绿地级配不够合理,公园类型不够丰富。精品公园绿地缺少,公园绿地的游憩设施和公共服务设施配置不足,不能很好满足居民多样化的休憩娱乐需求;无障碍设施、信息服务设施配置不够完善,部分具备防灾功能的设施配置不齐。
(四)城镇园林绿化建设发展不平衡。从城镇级别看,建制镇的园林绿化建设和管养水平普遍落后于城市。大部分建制镇的园林绿化建设基础相对薄弱,存在绿化建设盲目跟风、资金短缺、管养粗放等问题,缺乏地方特色、景观品质欠佳。城镇建成区绿地布局不够均衡,城区与周边镇区反差较大,镇区园林绿化较弱。
十、景观照明缺乏规划,特色不够鲜明
目前兰州新区中心城区夜景灯光已有一定基础,但由于缺乏夜景照明专项规划的指导,存在重点不突出、特色不鲜明、缺乏整体性等问题,与国家级新区的定位相比还有较大的上升空间。
(一)缺乏统一规划。夜景照明整体效果较为一般,建筑立面缺乏层次感,夜景地标较少,缺乏统一的规划设计。中心城区道路整体照明情况尚可,但部分道路交汇处照明度严重不足,尚需加大管控力度。部分广场、步道、绿地及水体沿岸缺乏安全照明;灯具设置位置及方式有较大的提升空间。
(二)特色不够鲜明。夜景照明形式稍显单调,缺乏多样性,与区域功能结合不足,建筑、道路、景观、广告标识、标志物等照明连贯性不强,未构成完整的城市轮廓线。中心城区目前商业区较少,但相对集中,存在彩虹城商圈和文曲湖步行街两处较大的商业区,区域内广告标识普遍亮度过高、光色杂乱。
(三)重点不够突出。中心城区的建筑景观照明缺乏统一规划,整体亮度较低;部分建筑照明形式单一或照明形式与建筑类型不符;部分建筑无照明设计,缺乏标识性与特色性。商业建筑照明形式单调,缺乏富有层次感的装饰性照明,未能表现城市繁华热闹的特点,建筑夜间辨识性较差。办公和行政建筑照明效果尚可,部分建筑照明未表现其特点,仍有提升空间。
第三章 发展趋势
一、发挥战略引领,铸造新高度
发挥国家重大战略对新区发展的引领作用,积极抢抓黄河流城生态保护和高质量发展、“一带一路”、西部大开发新格局、兰西城市群等重大战略机遇,健全新区融入重大战略的实施机制,加强大项目大政策的衔接,建设成为省市对接国家重大战略的集中承载区。
把握国家战略发展要求,争取国家布局重点工程项目;明确新区在全省城市空间布局和功能定位,加快建设一体化基础设施体系,将有限的发展要素资源以效率最优的方式统筹集中利用,同时以兼顾公平的方式分享发展红利;实现发展从“量变”向“质变”的提升。
二、贯彻战略构想,引领新方向
贯彻习近平总书记关于新时代推动形成优势互补高质量发展区域经济的战略构想,落实“一心两翼”空间发展格局,按照“建靓城、强功能、兴产业、聚人气、统城乡”的总体思路,优化新区发展空间新格局,促进产城深度融合,统筹推进新型城镇化与乡村振兴战略,实现城市发展与美丽乡村双提升,创建国家城乡融合发展试验区,打造国家级新区城市建设新标杆。
加强与兰州市区的空间联系,统筹考虑新区城乡发展新格局,促进区域基础设施共建共享;统筹城乡基础设施规划建设,加快推进水、暖、电、气、路等基础设施城乡一体化;利用先进的信息技术,加快推进新型基础设施建设,实现城市智慧式管理和运行,使城市基础设施服务更加安全、便捷、绿色、低碳,为人民群众创造更加美好的生活,促进城市和谐、可持续发展。
三、把握时代潮流,拓展新领域
2015年10月,国家发展改革委印发《电动汽车充电基础设施发展指南(2015-2020年)》,以减少汽车尾气排放、保障能源安全、促进节能减排、防治大气污染;2017年7月,国务院印发《新一代人工智能发展规划》;2017年12月,中央网信办、国家发展改革委等部门联合印发《关于开展国家电子政务综合试点的通知》,对提升政务服务便捷化水平、构建城市智能化基础设施、推动地下管廊智能化改造升级等方面做出了具体部署;2020年3月4日,中共中央政治局常务委员会会议指出,要加快5g网络、数据中心等新型基础设施建设。
2018年2月,省政府印发《甘肃省推进绿色生态产业发展规划》;2018年6月,省政府办公厅印发《甘肃省新一代人工智能发展实施方案》;2020年1月,省自然资源厅印发《关于鼓励和引导社会资本参与国土空间生态修复的指导意见》,为全省绿色可持续发展及智慧城市建设指明了方向。
以上表明低碳绿色理念、信息化已成为新时代发展的必然要求。新区应加快推进智慧城市、信息化水平建设,实现在新一轮科技革命和产业变革中开拓基础设施建设新领域。
四、依托平台优势,催生新动力
“一带一路”是我国新时期扩大开放的重要战略,以甘肃省打造“一带一路”枢纽制高点建设为引领,围绕服务兰州打造“一带一路”重要国际物流中转中心与国际供应链服务中心,紧抓兰州陆港型国家物流枢纽兰州新区辅枢纽建设契机,统筹区域性重大交通基础设施布局,构筑立体现代化交通网络。引导相关企业参与“一带一路”沿线国家和地区的基建投资领域,为建筑企业争取海内外市场创造条件。
以重大平台作为新区汇聚资源要素、提升发展及扩大品牌效应的载体,积极争取建设产业高质量发展平台、技术创新载体平台、绿色金融服务平台、对外开放合作平台及黄河上游生态治理修复示范平台,大力发展平台经济,建设重大科技基础设施,促进新区提质增效。
第四章 总体要求和发展目标
一、总体要求
(一)顺应国家政策指引,围绕城市发展目标,科学统筹新区基础设施建设。深入贯彻落实党的十九大和十九届历次全会精神,坚持“四个全面”战略布局,落实创新、协调、绿色、开放、共享的发展理念,紧紧围绕新区“高起点规划、高标准建设、高水平开放、高质量发展”的战略定位,按照《国务院关于加强城市基础设施建设的意见》(国发〔2013〕36号)、《国务院办公厅关于保持基础设施领域补短板力度的指导意见》(国办发〔2018〕101号)、《中共中央关于新时代推进西部大开发形成新格局的指导意见》、《甘肃省人民政府办公厅关于进一步支持兰州新区深化改革创新加快推动高质量发展的意见》有关要求,科学合理统筹新区城市基础设施建设,为打造新时代智慧型国家级新区提供坚实基础和可靠保障。
(二)落实国家战略导向,高质高效发展新区基础设施建设,有关指导意见与会议精神如下:
1.中共中央国务院2019年5月《关于新时代推进西部大开发形成新格局的指导意见》。继续实施差别化用地政策,新增建设用地指标进一步向西部地区倾斜,合理增加荒山、沙地、戈壁等未利用土地开发建设指标;加强对基础设施领域补短板项目的用地保障;支持西部地区开放平台建设,对国家级新区、开发区利用外资项目以及重点开发开放试验区、边境经济合作区、跨境经济合作区产业发展所需建设用地,在计划指标安排上予以支持。
2.习近平总书记2019年8月甘肃考察重要讲话。坚持绿色可持续发展,构筑西部生态安全屏障,实现高质量发展,绿水青山就可以成为金山银山。补齐发展短板,夯实发展基础,加快构建覆盖城乡、功能完备、支撑有力的基础设施体系。城市建设就是要坚持以人民为中心的发展理念。
3.中央2019年12月经济工作会议。坚定不移贯彻新发展理念,着力推动高质量发展,以创新驱动和改革开放为契机,全面提高经济整体竞争力,加快现代化经济体系建设;支持战略性产业发展,推进传统制造业优化升级;要加快推进区域发展,完善区域政策和空间布局,推动黄河流域生态保护和高质量发展,提高中心城市和城市群综合承载能力。
4.2020年10月十九届五中全会提出,至二〇三五年基本实现社会主义现代化远景目标。我国经济实力、科技实力、综合国力将大幅跃升,经济总量和城乡居民人均收入迈上新台阶,关键核心技术实现重大突破,进入创新型国家前列;基本实现新型工业化、信息化、城镇化、农业现代化,建成现代化经济体系;基本实现国家治理体系和治理能力现代化,人民平等参与、发展权利得到充分保障;基本建成法治国家、法治政府、法治社会;建成文化、教育、人才、体育强国,国民素质和社会文明达到新高度,国家文化软实力显著增强;广泛形成绿色生产生活方式,碳排放达峰后稳中有降,生态环境根本好转,美丽中国建设目标基本实现;形成对外开放新格局,参与国际经济合作和竞争新优势明显增强;人均国内生产总值达到中等发达国家水平,中等收入群体显著扩大,基本公共服务实现均等化,城乡区域发展和居民生活水平差距显著缩小;平安中国建设达到更高水平,基本实现国防和军队现代化;人民生活更加美好,全体人民共同富裕取得更为明显的进展。
会上提出了“十四五”时期经济社会发展主要目标:
(1)经济发展取得新成效,在质量效益明显提升的基础上实现经济持续健康发展,增长潜力充分发挥,国内市场更加强大,经济结构更加优化,创新能力显著提升,产业基础高级化、产业链现代化水平明显提高,农业基础更加稳固,城乡区域发展更加协调,现代化经济体系建设稳步推进。
(2)改革开放迈出新步伐,社会主义市场经济体制更加完善,高标准市场体系基本建成,市场主体更加充满活力,产权制度和要素市场化配置改革取得重大进展,公平竞争制度更加健全,高水平开放型经济体制基本形成。
(3)社会文明程度显著提高,社会主义核心价值观深入人心,人民思想道德素质、科学文化素质和身心健康素质明显提高;公共文化服务和文化产业体系更加健全,群众精神文化生活日益丰富,中华文化影响力进一步提升,中华民族凝聚力进一步增强。
(4)生态文明建设实现新进步,国土空间开发格局得到优化,绿色转型成效显著,能源资源配置更加合理,利用效率大幅提高,主要污染物排放总量持续减少,生态环境持续改善,生态安全屏障更加牢固,城乡人居环境明显改善。
(5)民生福祉达到新水平,实现更加充分更高质量就业,居民收入和经济同步增长,分配结构明显改善,基本公共服务均等化水平明显提高,全民受教育程度不断提升,多层次社会保障体系更加健全,卫生健康体系更加完善,脱贫攻坚成果巩固拓展,乡村振兴战略全面推进。
(6)国家治理能效显著提升,社会主义民主法治更加健全,社会公平正义进一步彰显,国家行政体系更加完善,政府作用更好发挥,行政效率和公信力显著提升,社会治理水平明显提高,防范化解重大风险体制机制不断健全,突发公共事件应急能力显著增强,自然灾害防御水平明显提升,国防和军队现代化迈出重大步伐。
二、基本原则
(一)坚持城乡联动,区域统筹。统筹考虑区域性基础设施建设,促进基础设施共建共享;坚持城市基础设施统筹规划,确保相互协调;坚持先规划、后建设,处理好各城乡基础设施建设体系间的关系,通过城乡上下互动,切实加强规划的合理性。
(二)坚持绿色智慧,集约高效。以绿色智慧为引领,以重点行业为突破,以打造国家级新区城市建设新标杆为契机,坚持集约、智能、绿色、低碳的生态文明理念,积极推进技术革新,推动基础设施智慧运行与城市智慧管理,将兰州新区打造成为黄河上游生态保护与高质量发展示范区。
(三)坚持民生优先,安全为重。优先加强与民生密切相关的基础设施建设,保障城市基础设施和公共服务设施供给,满足居民美好生活需求。提高基础设施的建设质量、运营标准和管理水平,提升基础设施全生命周期服务能力,增强城市防灾减灾能力,保障城市运行安全。
(四)坚持创新驱动,开放共享。发挥政府统筹主导作用,创新城市基础设施投融资体制,逐步向投资主体多元化、经营方式市场化革新。积极参与“一带一路”建设,大力推进对外通道建设,构建与城市基础设施建设融合体制,全力构建内外开放新格局,实现互利共赢、持续发展的目标。
三、总体目标
“十四五”时期,兰州新区将立足自身实际,以一流国家级新区为标杆,进一步完善城市基础设施与公用设施支撑体系,全面提升城市现代化水平,实现城市高效高质量发展。
至2023年,城市各项基础设施供给水平及城市综合服务水平普遍提高,民生项目优先实现,发展短板基本补齐,优质公共服务体系初步形成,为兰州新区增进民生福祉夯实基础。
至2025年,基本建成安全高效、绿色智慧、互联互通的现代化城市基础设施体系,促进新区经济社会持续快速发展,治理体系和治理能力得到全面提升,社会现代化建设取得实质性突破。
四、专项目标
(一)道路交通
通过完善路网建设,构建外联內畅的道路交通体系,保障城市建设开发;通过城市干道功能再梳理,实现道路交通与土地利用的紧密结合,提升城市活力,促进城市协调发展;通过打造绿色、安全的城市慢行交通系统,加强城市智慧管理,打造宜居城市。

(二)燃气工程
1.提高天然气在一次能源消费中的比例。加快天然气门站建设,形成双气源方向供气,进一步提高城市燃气普及率。
2.完善次高压(1.6兆帕)供气系统,新区环网与兰州中心城区管网实现互联互通,积极推进高中压调压站及配套管网建设。
3.建立气源应急保障体系,增加天然气储备能力,满足季节调峰、日调峰和小时调峰需求。完善管网调峰供气设施及智慧监控平台系统建设,杜绝重大燃气事故,确保安全、稳定供气。

(三)供热工程
初步构建以热电联产为主、多种能源形式为辅的集中供热格局,积极推广和探索新技术、新材料的应用,将低能耗、低污染和高效能的供热系统覆盖建成区,实现可持续发展。集中供热普及率达到90%以上,力争达到清洁取暖目标。

(四)环卫工程
创新垃圾分类、收集运输和资源化、无害化处理方式。提升资源循环再利用水平,实现生活垃圾分类收集覆盖率90%,无害化处理率100%,资源化利用率40%,原生垃圾零填埋的目标。创新治理举措,智慧化环卫管理,促使兰州新区在全省率先建设无废城市。

(五)新型城镇化
进一步加快城镇化进程,推进新型城镇化建设,提升人口城镇化水平,提高城乡居民收入水平和生活质量,维护社会公平,保障公共利益。构建山川为景、城乡融合、组团式、集约化的城镇布局,统筹好生产、生活、生态三大空间,推动新型城镇化高质量发展;构建以协调区域、优化城区、辐射乡村为发展目标的新型城镇化发展思路。
结合新型城镇化、产城融合的发展理念,优化用地结构,提高居住、公共服务用地比例,形成不同层级公共服务中心。突出向西平台战略定位,建设兰州新区综合保税区、“锦绣丝路”华夏文明传承创新示范园、职教园区、高铁南站等高端服务集聚区,打造西部重要的现代服务业基地,促进服务业与制造业融合发展。

(六)智慧城市
抢抓国家支持新区深化改革创新,加快推动高质量发展和“新基建”等政策机遇,贯彻落实省、市关于积极融入抢占文化、通道、技术、信息、生态五个制高点的总体部署,积极发展5g、大数据、物联网、人工智能、区块链等新技术产业,持续提高产业集聚和吸附能力,促进大数据与产业发展深度融合。
(七)新型基础设施
以信息、融合、创新基础设施为载体,打造辐射西北的工业互联网示范新区。加速5g基站等新型基础设施建设,加快数据中心、光交箱等通信设施建设,升级光纤网络打造“双千兆新区”。广泛部署公用和专用智能感知终端,实现生产、交通、环境、市政等全域深度覆盖和全要素动态监测。加快智慧城市建设,组建全省数字政府电子政务平台,推进城市治理、政务服务、公共服务、便民应用等领域智能化。 部署大数据产业研究院建设,谋划引进国家重点实验室,设立西北地区综合减灾与风险管理信息平台,设立全省数据中心资源统一管理平台,打造面向丝绸之路沿线国家的信息枢纽和信息产业基地。

(八)给排水工程
1.给水工程
有效解决兰州新区供水历史遗留问题,加快构建兰州新区供水安全保障体系,全面统筹城乡供水,不断满足广大人民群众对高品质生活饮用水的需求,保障城镇高质量发展的生产用水需求。至2025年,管网末端水质合格率为99%,城市集中供水普及率为100%,管网漏损率控制在10%以内。

2.污水工程
基本消除城中村、主城区和城乡结合部生活污水收集处理设施空白区,推进城市污水管网建设,解决污水系统衔接不畅问题,城市生活污水收集效率显著提高,兰州新区实现污水管网全覆盖,污水全收集、全处理。至2025年,污水处理集中处理率达到100%,污泥无害化处理处置率达到100%,污水处理厂出水水质达到一级a标准。
3.再生水工程
促进并完善再生水利用设施建设,水系景观、生态环境及工业低质用水优先使用再生水,不断推进城市污水处理再利用建设。至2025年,兰州新区再生水利用率达到35%。
4.雨水工程
合理布局雨水系统,保障城市排水安全;确保城市初期雨水和工业区事故消防用水的安全收集、安全处理和安全排放;保障城市内水环境安全,有效利用雨水资源,提高水资源综合利用率。
新建、改建雨水管道设计重现期2-3年一遇;重要地区设计重现期采用3-5年一遇;中心城区地下通道和下沉式广场设计重现期采用10-20年一遇;实现雨水管网全覆盖,内涝积水点全面消除,初期雨水得到有效控制;规划核心区内涝防治标准达到30年一遇;规划协调区内涝防治标准达到20年一遇。

(九)绿地工程
新区园林绿化水平全面提升,园林绿化量质齐升、建管并重、功能完善,城市生态园林建设水平走在全省前列。
1.城市绿地生态系统进一步优化。为保障城市园林绿化各项指标更加科学合理,基本建成点线面结合、布局合理、总量适宜、生态良好的城市绿地生态系统。至2025年,城市建成区绿化覆盖率达到40%以上,绿地率达到36.8%以上,人均公园绿地面积达到10平方米以上。
2.城市绿色公共空间体系逐步完善。逐步形成类型丰富、布局合理、功能完善、特色鲜明、惠民便民的城市绿色开放空间体系,公园绿地均衡性显著提升。至2025年,新区“城市公园绿地10分钟服务圈”覆盖率达到80%以上,城市公园免费开放率达到95%以上。
3.风景园林文化特色充分彰显。建设一批体现新区地域文化特色的风景园林精品工程。
4.城市绿化管控水平显著提升。行业管理的科学化、现代化水平明显提高。完善行业技术标准、规范体系和地方性法规制度,不断增强园林绿化管养的市场化运营、管理能力,建成新区风景园林管理信息系统。

(十)夜景照明
1.推进城市基础设施建设,完善城市夜景照明。兰州新区经过详细的城市规划与建设,城市夜景照明生机盎然。基于城市的发展定位与发展需求,在对上位规划进行分析与解读的基础上,综合考虑兰州新区社会、经济、人文环境与气候资源条件,提出兼具“经济适用”、“传承创新”特征的新区总体夜景规划目标,并针对各个组团以及照明载体的特征给予针对性规划,通过夜景照明专项规划编制工作,形成科学、完整、合理、有序的城市夜景观。
2.创造“美好生活”夜环境,提升人民幸福感。一个“充满活力、安全健康、绿色环保”的城市夜景观是提升新区居民夜生活水平的重要基础保障,是满足人民追求美好生活的重要组成部分。科学合理的夜景照明专项规划,是实现良好城市夜景观的必要前提,也是推进城市夜景观建设的重要保障。

第五章 主要任务
一、加快道路建设,构筑便捷交通
(一)统筹推进建设,完善路网体系。结合新区城市开发建设计划,以新区城市总体规划为依托,加大城市道路建设推进力度,完善路网体系。
1.外围交通系统
着眼于深度融入兰西城市群,加快建设新区至兰州市区(中通道)高速公路项目,进一步加强新区与兰州市区东、中、西三条通道的路网联通能力,形成新区与兰州市区 “三高两快”的多路径联系通道。
推动新区“一环八射”快速公路交通骨架网的建设,完善核心区至上川、水阜等外围五镇的城市快速通道建设。加快推进外围五镇内部农村公路建设,着力打造安全畅通的农村交通基础服务网络,为新区高质量一体化发展提供有利条件。所有行政村及自然村实现硬化路联通,加强与核心区主干路网的联系。
2.快速路系统
积极推进经十五路、环城路等新区对外交通快速路改造及建设,形成快速路网体系,与分区板块直接衔接,优化快速路网系统,解决道路不通畅问题,实现新区与周边城市快速路网格局。
3.主次干道系统
完善经一路、经七路、经三十三路、纬五十四路等骨架性主干路网,形成兰州新区联系各组团、衔接重要功能区、对接进出城区的主干路网络体系。逐年完善新区规划干道网络系统,统筹推进建设,快速形成规划核心区“十一横四纵”的重要骨架性主干路网。
4.支路系统
落实中共中央、国务院《关于进一步加强城市规划建设管理工作的若干意见》,树立“窄马路、密路网”的城市道路布局理念,推进规划支路的建设,完善路网级配,畅通路网循环。至2025年,城区道路用地面积率达25.3%,城区道路网密度达4.0km/km²;至2035年,城区道路网密度达到8.0km/km²,形成以高、快速路为框架,主次干路为骨架,支路为毛细血管,且功能完善、级配合理、畅通、高效、安全的城市路网体系。
(二)划分道路功能,打造宜居街道。依托《兰州新区国土空间总体规划》,按照交通、居住、商业、办公、综合的功能,重新梳理主次干道功能定位。按照道路功能不同属性,合理划定道路分区功能,并针对每一类道路从沿街出入控制、路内停车、隔离设计等方面提出详细的设计导则。
1.功能类型
综合考虑道路沿线的交通需求、沿街活动、道路空间景观特征等因素,可将道路划分为商业型道路、生活型道路、景观型道路、交通型道路等。
(1)商业型道路是指道路沿线以商业服务设施用地为主,具有一定服务功能或业态特色的道路。为保证地区活力,道路设计应特别注重两侧商业活动便捷交流。
(2)生活型道路是指道路沿线以服务本地居民生活、商业、公共服务、零售、餐饮为主的道路。使用者以日常休闲散步为主,道路设计应注重慢行交通系统空间的品质。
(3)景观型道路是指滨水、邻山,且能够涵盖历史风貌特色和休闲活动设施的道路。
(4)交通型道路是指以非开放式界面为主,交通性功能较强的道路。主要承担长距离的客货运输、过境车流等,应保证车流的快速通过,减少沿途开口和路中过街的数量。
2.红线宽度
城市道路的红线宽度应优先满足城市公共交通、步行与非机动车通行空间的布设要求,并应根据城市道路交通功能和城市用地开发情况,以及工程管线、地下空间、景观风貌等布设要求综合确定。
城市道路红线宽度(快速路包括辅路),规划人口规模50万及以上城市不应超过70m,20万-50万的城市不应超过55m,20万以下城市不应超过40m。参照《城市综合交通体系规划标准》(gbt 51328-2018),对城市公共交通、步行与非机动车以及工程管线、景观等无特殊要求的城市道路红线宽度应符合下表要求。

3.断面规模
道路断面空间的基本矛盾为交通性和活动性空间的矛盾,新区目前交通性空间和活动性空间相对分隔,不利于创造活跃舒适的街道。通过优化断面设计可以创造更高效的街道空间利用模式,同时,归纳整理不同类型街道、不同红线宽度的标准横断面。“十四五”期间,改造、新建道路在参考该标准横断面的基础上,结合道路功能定位进一步详细论证横断面布置方式。
(1)商业型街道
商业型街道应保持空间紧凑、活动联系紧密、商业氛围浓重的效果,宜兼具购物、休闲、交通、文化、旅游等功能;鼓励街头绿地和建筑退界空间与道路共同打造商业氛围;注重艺术品质和细节设计,特别是沿街出入口和街角,增强街道空间的可识别、有特色的品质。
商业型街道沿线应提供便利的过街设施。交通性较强的商业型街道,采用平面过街形式时,在不影响主线交通情况下,尽可能增加人行横道、安全岛等过街设施。交通性较弱的商业型街道鼓励采用稳静化措施控制车速,使行人可以便利地穿越街道;必要时可结合地区交通组织,对主要商业街采取机非分流或者在人流量较大时段禁止机动车通行的方式。
其标准断面如下:
①红线宽度大于40米的道路,步行空间、骑行空间与车行空间用绿化带进行隔离;较宽的步行空间应增加行道树进行遮荫,或设置售货亭等提高商业氛围。

②红线宽度为20-40米的道路,可通过取消分车带保持空间紧凑,过街处结合人行横道局部缩窄机动车道宽度并设置安全岛,引导机动车慢行,提升过街的安全性与便利性;设置独立的非机动车道,采取带有物理隔离的机非共板或人非共板的形式。

③红线宽度为20米以下的道路,可采用共享街道模式,通过允许机动车进入街道提高沿线商业的可达性,同时营造安全、舒适的步行与骑行环境。

(2)生活型街道
生活型作为与居民密切相关的街道,更需要考虑人的舒适性和便利性,其设计应满足步行可达性和交往性的需求,营造尺度适宜的户外环境。
应鼓励结合支路设置生活型街道,采取稳静化措施降低车速,既有城市干道沿线的商业型街段,又有城市支路沿线的生活型街段。
其标准断面如下:
①红线宽度20-40米的道路,应设置独立的非机动车道,可利用较宽的建筑退界补充步行空间,沿街提供餐饮与商品展示区,设施带布设行道树、非机动车停放区、公共座椅和路内停车带等。

②红线宽度小于20米的道路,采取一块板的断面形式,利用设施带与绿化带进行人非隔离。或者采取不对称断面,单侧种植行道树,控制设施带宽度,保证基本步行空间。

(3)景观型道路
景观型道路与自然人文景观密切关联,应通过高品质的景观环境激发街道活力;在展示城市景观风貌的同时包括市民休闲活动;考虑各个年龄段、不同群体的使用需求,提升活动体验。
鼓励沿街设置公交线路;空间允许的情况下,可以沿街设置临时停车位与路内停车带,提高可达性;通过路径设计强化社区和水系的联系。
其标准断面如下:
①红线宽度大于40米的道路,鼓励利用中央分隔带、侧分带及人行道共种植6排行道树,车道与绿带进行一体化设计,灵活设置休憩节点与花园等景观设施。

②红线宽度为20-40米的道路,街道空间允许的情况下,可在中央设置景观与活动带,提供休憩与休闲空间;两侧人行道结合建筑退界进行一体化设计,沿街设置活动休憩设施。

(4)交通型道路
交通型道路应根据步行交通、公共交通、非机动车交通、机动车交通和静态交通的需求对空间进行统筹分配,保障优先级较高的交通方式。人行道和非机动车道应保证连续性和安全性;交叉路口间距宜比其他类型道路长,以便机动车快速通行,同时交叉口应提供足够行人和非机动车的停留空间;沿线设计以非开放界面为主,充分利用绿化带等隔离设施形成美观的景观效果。
其标准断面如下:
①红线宽度大于40米的标准断面,步行空间、骑行空间与车行空间用绿化带进行隔离,互不影响各自的交通通行。

②红线宽度为20-40米的道路,可采取机非共板形式,但须用隔离墩或较矮的栏杆进行隔离。

(三)建设慢行系统,打造宜居环境
1.提升行人过街设施服务水平。针对人流集中的重要节点合理设置天桥或地道过街设施,保障行人过街安全,减少行人与车流平面交叉冲突,减少交通事故。
2.净化人行道网络。落实省住房和城乡建设厅《关于开展人行道净化和自行车专用道建设工作的意见》要求,在新建道路项目的基础上,同步对既有道路的人行道进行改造。一是清理人行道盲道障碍,保证盲道畅通无阻;合理设置隔离护栏、阻车桩等,推广行道树池表面与人行道平缓顺接的设计;对道路交叉口、建筑出入口、广场出入口等位置人行道路缘石有高差的地方进行改造,营造安全、连续、无障碍的步行环境。二是推行“多箱合一”、“多杆合一”“多井合一”,集约设置,结合道路两侧建筑适当配置休憩设施、街道小品等,提升人行道空间品质。
3.推进自行车道建设。加大发展自行车交通力度,进一步新建与改造自行车道,提升自行车出行环境,规范共享单车、电动车停放制度,提高自行车在中短距离出行、延伸公共交通服务以及市民休闲健身的比例。
强化自行车专用道管理,逐步取消机动车占用自行车道设置停车位,打造连续、安全的自行车道系统。至2025年,改造自行车道长度70km。
(四)推进公共停车设施建设。通过推进公共停车场的建设,规范路内停车秩序,提升停车设施技术等工艺,加强停车设施发展统筹,释放道路有效空间资源,提高停车设施使用效率,缓解停车供需矛盾。
推动配套建设城市大型公共停车场建设,包括新区客运中心、新区南站公共停车场等。重点考虑在综合交通枢纽、城市轨道交通外围车站、医院、景区、学校等需求较大的区域建设公共停车场,并按照相关规划标准要求配建电动汽车充电设施。
对路内停车位进行规范、确权,并逐步增加智能化管理手段,加大违停处罚力度。通过价格调控等措施,逐步将路内停车需求转向路外,提高路内车位周转率。综合考虑不同区域土地开发强度、交通运行状态,实行差异化停车配建指标,划分停车分区,制定差异化停车收费标准。
二、拓展气源领域,保障民生用气
结合国家能源转型发展的总体部署,以提高天然气消费比重为目标,落实绿色低碳发展战略,充分发挥天然气清洁高效的优势,积极推进重大天然气利用项目建设,加快核心区及功能区燃气设施及管网建设。完善天然气输配系统,与兰州方向高压管网高效对接,实现区域输送体系“一张网”互连互通。
(一)增加气源保障供应。结合兰州新区天然气建设现状及周边气源情况,引入兰银输气管道4号阀室气源,形成双向气源;对接长庆至兰州天然气气源管线,推进庆兰线新区末站规划预留3#门站建设;研究古浪至河口天然气管道及兰州至银川天然气管道气源复线的引入;初步实现新区多气源供应格局。
(二)提高天然气利用率。充分利用天然气的减排优势,研究天然气与氢能、可再生能源联动的利用模式。因地制宜发展交通用气,重点关注以lng、cng汽车为主体的清洁汽车,主要面向公交、城际客车和重型卡车发展,制定相关扶持政策,实现汽车工业和天然气工业的可持续发展。
(三)推进管网设施建设,保障供气需求。进一步完善长输管道(10.0兆帕、6.3兆帕)、次高压(1.6兆帕)、中压(0.4兆帕)三级系统建设。在考虑天然气用于供热气量后,形成城镇高、中压环网供气系统。新托管上川、石洞、水阜、黑石、什川五镇因地制宜延伸次高压管网或自建供气设施,形成次高压-中压两级系统,在重点满足镇区用气后,积极向农村地区延伸规划建设燃气供应设施,满足供气需求。结合天然气门站建设储气调峰站,积极研究区域高压管网互联互通建设,适当考虑用气量较大企业的管道直供方案。
(四)推进智能化燃气建设,强化安全监管。顺应网络技术、信息化发展趋势,建设城市燃气信息管理系统,地下管网信息统一管理,建立高集成度、高智能化、高可控性的一体化运行、调度、决策、共享系统。以监控中心为核心,建立联接各用户、各调压站、城市门站的监管网络,进一步实现天然气高效、安全运行。落实管道保护企业主体责任,加强各产权单位的沟通配合,严格依法开展管道建设和维护工作,加强检测与巡查;加大管道保护法的执行力度,建立上下联动保护机制,确保管道安全运行;加强管道与铁路、公路等重大工程建设相遇相交关系处理;加大管道安全隐患整改力度。
(五)建立气价调节机制,引导错峰用气。天然气供应应首保城市居民基本的生活和生产。根据城市用气规律,合理确定工业领域的用气需求,协调上游气源供应,鼓励大用户采用直供方式减轻下游燃气系统调峰压力,研究制定峰谷气价、可中断气价,引导季节性耗气用户削峰填谷,缓解高峰用气紧张局面。
(六)2035年燃气规划发展。2035年,新区燃气气源以天然气为主,燃气管道全面覆盖城镇地区,燃气普及率达到95%。
三、完善供热格局,推进热源建设
(一)优化热源结构。根据《甘肃省冬季清洁取暖总体方案(2017-2021)》,加快各类分散式清洁供暖建设,增加清洁能源供热占比,在充分论证的基础上启动建设低温核供热项目。大力推进热电联产、天然气及可再生能源等清洁能源供热,实施燃煤锅炉节能改造,取消集中供热范围内分散采暖燃煤小锅炉,将其供热接入城市集中供热系统;对集中供热未覆盖的分散采暖燃煤小锅炉,因地制宜采用电能及其他清洁能源供热方式进行替代。
(二)推进热电厂建设。对现有调峰热源厂进行扩容改造,充分利用现有供热管网的供热能力,解决新增面积的供热需求;有序建设第一热电厂热电联产项目,提高供热保障率。
(三)优化供热模式与分区。稳步推进供热模式转型,大力推进清洁能源供热。结合新区实际供热情况,统筹考虑新区供热体系,重新划分供热区域,确定供热主体。新托管上川、石洞、水阜、黑石、什川五镇结合规划布局建设供热设施并独立分区。积极推进供热方式多元化,鼓励采用新能源供热方式,因地制宜推进农村地区清洁取暖。
(四)推进供热管网改造。加强对供热一次管网设施系统事故隐患的维修、更换和升级改造力度;有序对供热二次管网系统和户内系统中材质落后并存在漏损隐患的管网设施进行改造;加快新建供热管网工程建设力度;多个大型供热系统应具备联网运行条件,实现互通保障功能。
(五)推进分户计量改造。加强供热系统监控能力,大力推行采暖地区住宅供热分户计量,新建住宅全部实现分户计量,既有住宅要逐步实施热计量改造。
(六)2035年供热规划发展。至2035年,兰州新区集中供热普及率达到100%,规划协调区集中供热普及率达到80%;周边符合供热条件的乡镇集中供热普及率达到70%,乡村集中供热普及率达到50%。
四、完善环卫体系,建设无废城市
为深入贯彻落实节约资源和保护环境基本国策,大力发展循环经济,响应相关国家环保政策要求,坚持垃圾治理减量化、资源化、无害化的理念,全面提升兰州新区生活垃圾无害化处理水平,逐步扩大垃圾分类覆盖范围,提高收运体系规范化、专业化水平。加快垃圾无害化处理设施建设步伐,高标准建设垃圾无害化处理设施,垃圾处理方式由填埋为主转变成焚烧为主,不断提高焚烧比重。建设智慧环卫管理体系,建立环境权益交易市场,提高生活垃圾资源化利用水平,加快资源节约型和环境友好型社会建设,在全省率先建设“无废城市”。
(一)强化生活垃圾分类管理。以减量化、资源化、无害化为目标,加快建立垃圾源头分类减量、分类运输、分类中转、分类处置的生活垃圾分类处理体系,不断提升城市管理水平和居民文明修养,引导居民逐步养成主动分类的习惯,形成全社会共同参与垃圾分类的良好氛围。生活垃圾按照“有害垃圾、干垃圾、湿垃圾和可回收物”基本类型进行分类。新建、改扩建住宅和公共设施,应当配套建设生活垃圾分类收集设施,逐步改造不符合分类标准的收集设施。
(二)健全生活垃圾收运体系。进一步扩大清运覆盖范围,消除清运盲区,提高清运效率,在秦川园区新建4座中转站,在西岔园区新建2座中转站,在上川、石洞、黑石镇各新建1座中转站,设计处理规模均为50吨/日,占地面积1500平方米/座。
1.分类后的生活垃圾必须确定清运频次,建立清运台帐。有害垃圾由取得有害垃圾收集运输处置资质的企业运输至专业机构进行处置,禁止有害垃圾混入其它类垃圾或随意处置;可回收物运输至生活垃圾资源化利用中心;厨余垃圾运输至餐厨垃圾处理场;建立垃圾综合处理设施。
2.垃圾分拣中心通过对生活垃圾中可回收物按金属制品、纸制品、塑料制品、玻璃制品等进行深度分类,达到资源化利用的标准,再运送至新区再生资源回收利用中心,进行综合利用再处理,从而提升新区生活垃圾回收利用水平。
3.生活垃圾一体化处理方式能够有效集约利用场地、降低环境污染,取得良好的能源和环境效益,有效缓解新区垃圾处理压力。规划建设兰州新区垃圾一体化处理项目,生活垃圾焚烧发电设计规模为500吨/日,餐厨垃圾处理设计规模为100吨/日。建设生物垃圾资源化利用项目,设计日处理污泥和畜禽粪便100吨/日,经过高温环境发酵后生产出优质有机肥,用于新区绿化和林地使用。
(三)构建再生资源利用设施。兰州新区城市矿山再生资源回收利用项目通过对垃圾的资源化和无害化处理,极大提高了废旧资源利用效率,保护和改善了区域生态环境,是兰州新区建设“无废城市”的关键组成部分,也是推进兰州新区产业优化升级的重要途径之一。
(四)加强建筑垃圾综合利用。随着新区范围内基础设施快速建设,住宅、市政、工业项目不断建成投产,产生了大量建筑垃圾,因此推动建筑垃圾资源化利用对城市建设、环境保护具有十分重要的意义。建设建筑垃圾资源化综合利用项目,包含建筑垃圾资源化利用厂区和新型建材预制生产厂区。
(五)规范医疗废物处置。规划建设兰州新区医疗废物处置中心,建立管理机制,填补兰州新区医疗废弃物收运设施空白,提高城市居民的身心健康。
(六)完善环卫设施体系。通过建设环卫服务中心、基层环卫管理所、环卫工人休息室等设施,完善环卫服务设施体系。兰州新区环卫服务中心拟选址于中川园区,以便有效发挥公用事业服务中心的核心协调和管理职能。环卫管理所近期建设6处,远期根据新区建成区范围和人口数量增建2处;环卫管理所的建设应有停车、机械维修、管理办公、环卫工人休息和洗澡等功能设施,并留有远期发展的余地。为解决环卫工人饮水难、热饭难、休息难等问题,结合新区实际情况,拟在各主干道安置50座“爱心驿站”,打造“暖心工程”。
(七)创新智慧环卫体系。智慧环卫从车辆、设施、人员管理以及垃圾分类、收集、转运、处理等方面对城市环境卫生工作进行信息化升级和管理,重塑环卫新模式,为改进环卫管理、规范环卫考核、创新环卫决策提供支撑依据;智慧环卫通过降低环卫成本提高环卫作业效率,通过创新环卫管理模式,促进垃圾分类实现垃圾减量化、资源化、无害化处理;通过打造智慧环卫,积极创建全国卫生城市和无废城市。
1.通过智能终端和智慧环卫云系统。为环卫人员划定作业路线和标准;通过事前规划、事中预警、事后报表呈现的方式对作业人员、管理人员、巡查人员进行实时监督;通过系统排班及调班合理安排作业人员班次和人数,对违规现象进行报警和记录。
2.智慧环卫车辆管理系统。对环卫道路作业车辆状态进行记录和实时监控,实现对车辆作业规划、标准、过程、违规、效果等环节的实时监管,提高效率、降低成本、优化作业管理模式。
3.智慧环卫设施管理系统。对环卫设施进行分类管理;显示环卫设施的具体信息、运行状态;对突发事件及时报警,并对设施管理人员进行考核。通过实时监控视频,实现对设施管理人员、设施运行状况的实时查看,及时处理并提高事件处理效率。
五、促进城镇化发展,提高城镇化水平
(一)提高人口市民化质量。以深化改革户籍制度和基本公共服务机制为契机,打破阻碍劳动力自由流动的不合理壁垒,促进人力资源优化配置。
1.全面取消落户限制。贯彻落实《中共中央办公厅 国务院办公厅关于促进劳动力和人才社会性流动体制机制改革的意见》,全面取消落户限制,进一步促进劳动力和人才社会性流动。
2.促进农业户籍及非户籍人口在城市便捷落户。鼓励政府简化户籍迁移手续,加强落户政策宣传,开通线上申请审核系统,大幅提高落户便利性。
3.出台新区基本公共服务标准,推动未落户常住人口城镇化。提高居住证发证量和含金量,推动未落户常住人口逐步享有与户籍人口同等的城镇基本公共服务。运用信息化手段建设便捷高效的公共服务平台,加快养老保险全国统筹进度,做好社会保险关系转移接续。增加学位供给,健全以居住证为主要依据的随迁子女入学入园政策,使其在流入地享有普惠性学前教育政策。
4.大力提升农业人口转移城镇就业能力。深入实施新生代农民工职业技能提升计划,加强对新生代农民工等农业转移人口的职业技能培训;鼓励企业吸纳农民工并开展岗前培训、新型学徒制培训和岗位技能提升培训,并按规定给予培训补贴。
5.加大“人地钱挂钩”的激励配套政策。加大农业人口市民化奖励资金力度,加大新增建设用地计划指标与吸纳落户数量挂钩力度。维护进城落户农民土地承包权、宅基地使用权、集体收益分配权。按照依法自愿有偿原则,探索其转让上述权益的具体办法。
(二)优化城镇化发展格局。构建区域协调发展的城镇化空间格局,形成高质量发展动力系统;深入推进兰西城市群小城镇体系、推进城市群政策体系、规划体系的发展布局和协调机制。培育发展新区“一小时”都市圈,提升圈内经济动能活性,形成交通互通、产业互补、要素满足、特色鲜明的城市群。提升城区能级和核心竞争力,强化用地等要素保障,优化重大生产力布局。推进特色小城镇规划编制,确定重点、分类施策,因地制宜,以特色产业为核心,优先发展特色小城镇。
(三)推进城乡融合发展。突出以城带乡、以工促农,健全城乡融合发展体制,促进城乡生产要素双向自由流动和公共资源合理配置。
1.建立城乡融合发展试验区改革试点,制定试点实施方案,推动试点在城乡人口迁徙、农村产权抵押担保、城乡产业协同发展平台等方面先行先试,引导园区土地储备公司和融资平台公司参与农村产权流转及抵押,探索有效的改革发展路径。
2.出台农村集体经营性建设用地入市指导意见,允许农民集体妥善处理产权和补偿关系后,依法收回农民自愿退出的闲置宅基地、废弃集体公益性建设用地使用权,按照国土空间规划确定的经营性用途入市,启动新一轮农村宅基地制度改革试点。
3.开展工商资本入乡发展试点工作,发挥中央预算内投资和新区城乡融合发展基金作用,支持引导工商资本和金融资本入乡发展;培育一批城乡融合典型项目,形成承载城乡要素跨界配置的有效载体,在黄河流域开展生态产品价值实现机制试点;允许符合条件的入乡人员在原籍地或就业创业地落户并依法享有相关权益。
4.制定兰州新区统一城乡基础设施建设标准。托管镇形成城乡基础设施小系统,与核心区基础设施融合接入主城区大系统。
六、推进数据产业,发展智慧城市
(一)促进产业快速集聚。围绕大数据产业“建链”“延链”“补链”“强链”开展产业链招商,加快华为云计算中心、北科维拓三维智能制造产业园、中科曙光甘肃先进计算中心等项目建设,推进产业快速聚集、快速建设、快速发展,努力将新区打造成为“一带一路”陆上国际数据汇聚中心、交换中心、服务中心和区域数据枢纽。
(二)培育大数据核心产业。围绕数据采集存储、加工处理、交易流通、服务外包等核心产业,积极培育一批大数据创新型企业,不断提升数据存储、汇聚和防备能力,吸引周边、沿海等城市数据资源向新区转移。加强与省内外高校和领军企业产学研合作,强化大数据基础研究和核心技术攻关,推进大数据创新成果应用,提升产业创新能力和核心竞争力。
(三)加强大数据创新应用。依托现有项目,联合产业各方推动5g、大数据、区块链、物联网、人工智能等建设,实现关键技术突破、标准体系完善和网络性能提升的目标。推动大数据与智慧工厂、智能制造、城市管理等多行业、多领域融合应用,发挥新区国际互联互通优势培育具有地方特色的电商平台,不断丰富大数据产业发展结构,实现数字化、网络化、智能化高质量发展。
(四)加快新型智慧城市建设。按照“补短板”、“强安全”、“汇数据”、“强分析”“、重智能”、“便管理”的原则,统筹规划、规范管理、有序实施,推进新型智慧城市项目建设,针对新冠防控工作中暴露出的智慧城市建设短板和不足,计划启动智慧医疗、智慧教育、智慧社区、智能交通等项目,切实实现智慧设施提升、智慧民生普惠、智慧政务优化的目标,提升新区企业和人民对智慧城市建设的获得感、认同感和幸福感。
1.城市网格化综合管理平台:在兰州新区全区实现全域网格化管理,在园区层面建设网格化管理中心,建立全新区网格化管理体系,并建设网格化综合管理平台。
2.智慧警务:社会治安综合管理系统主要包括基础应用系统、扩展应用系统、智能分析应用系统、智能综治实战指挥系统。
3.智慧消防:建设兰州新区智慧消防综合管理平台,为大数据可视化提供信息支撑,为各级指挥员提供作战指挥多角度、全方位信息支撑,提升各级指挥中心战备值守、应急指挥、重大安保和辅助决策能力。
4.智慧教育:包含覆盖兰州新区校园教育城域网、远程互动课堂、普教联网、校园数据机房、基础平台、招生报名、智慧考试、网络联校等智慧教育应用系统。
5.智慧园区:通过构建虚拟园区,运用物联网、云计算、多媒体等现代信息技术,帮助园区在信息化建设方面构建统一的组织管理协调架构、业务管理平台和对外服务平台,为园区管理者以及企业提供创新管理与运营服务。
七、推进新基建,抢抓新机遇
(一)推进新型智慧城市建设。围绕‘一云、二网、三平台’ n个应用的新型智慧城市总体建设思路,推进电子政务外网、elte市政无线专网、运营中心等9个子项建设,完成基础支撑平台建设,实现跨部门、跨系统的数据业务融合。
(二)提升信息基础设施。加快5g基站建设,推进5g 4g网络融合覆盖,提升5g网络基础设施水平。对已开发地区采取在现有网络覆盖的基础上,对各区域进行新建站点增补,以符合5g全网覆盖的需求;对已规划未开发地区,5g基站建设与地区开发同步实施。结合兰州新区开发建设情况,“十四五”期间,计划完成5g基站建设2000个,其中2020年已实施1542个,2021年实施349个,2022-2025年实施109个,实现重点地区5g信号全覆盖和规模化。
1.5g网络为满足各场景应用,后期将会建设大量边缘数据中心机房。通信局所资源主要集中在无线网末梢的基站,为适应无线网结构的演进和建设转型,应主动挖掘网络各个层级通信机房需求,形成分层分级,覆盖全网络的机房布局。
2.升级光纤网络打造“双千兆新区”,持续推进光纤网络的宽带智能化建设,提升网络基础设施容量和多业务承载能力,积极推进千兆固网接入建设。加快启动互联网协议第6版(ipv6)在通信网络中的部署,建立完善ipv6骨干网间互联体系;建设千兆固网智慧家居集成应用示范小区,促进千兆固网应用落地;充分利用兰州新区电价、地价、区位等综合优势,持续推进大数据中心建设。在已投运1#idc和即将投运2#idc共4800个机柜的基础上,谋划大数据中心二期建设,计划建设12000个机柜,将兰州新区大数据中心打造成为西北地区最大的idc数据中心。
3.加快推进甘肃国网云数据中心项目建设,打造国网首个“高效能、高密度、高容量”的大型云数据中心。打造国网‘3 n’云数据中心产业布局规划示范项目,开展智慧城市、精准扶贫、智慧农业等云平台和大数据应用,为各类能源行业、信息工业园区构建安全高效的信息支撑云平台。
4.广泛部署公用和专用智能感知终端,实现生产、交通、环境、市政等全域深度覆盖和全要素动态监测。加大社会治理感知单元在城市管理、应急保障、灾害防治等重要领域应用力度;加快推进自动售货机、自助式加油站等各类智能零售服务终端的建设;推进感知系统在车联网等领域的应用,逐步实现车车、车路智能协同和智能驾驶运载工具的联网联控。
(三)推进信息平台建设。部署大数据产业研究院建设,谋划引进国家重点实验室,统筹机场、铁路等领域物流数据,促进区块链和实体经济深度融合;设立西北地区综合减灾与风险管理信息平台,为国家区域(西北)救援中心提供技术信息支撑,打造国家级应急产业示范基地;设立全省数据中心资源统一管理平台,利用合同能源提升能效管理水平,打造面向丝绸之路沿线国家的信息枢纽和产业基地。
八、加强三水建设,健全保障体系
(一)推进供水保障体系建设
1.提升改造引大入秦引水工程,扩容配套调蓄水库,提高取水工程保证率。着力提高水源保障能力,提高引大东一干渠和东二干渠输水能力,全部采用封闭运行,并对枢纽建筑物进行改造,在石门沟水库群东南部新建庙儿沟水库,全面保障新区城市矿产与表面处理产业园区、飞地产业园区与农业园区的工业生产用水以及农业生态灌溉需求,提升水源供给能力。
2.结合城市及乡村发展需求,完善新区供水管网系统,发挥城市供水设施的辐射作用,推动供水设施城乡一体化发展。建设兰州新区第一水厂三期工程,新增20万立方米/日处理规模,完善西南片区输水管线建设。逐步完善农村配套管网建设,改造老旧管线,配套智能水表,配备专业收费人员,为居民提供更便捷的服务。
3.推进智慧供水系统建设,优化供水分区,加强管网漏损监测控制,实现水源智慧调度。
(1)实现数理管理一体化。整合水源地、水厂、dma管控、营业收费及oa办公等智慧供水系统,将各系统实时数据集成到同一数据库中,实现资源的统一管理,达到信息共享目的。
(2)实现工作管理平台化。建立集成生产调度、管网压力、dma管控、营业收费及oa办公等系统和智慧水务平台,在统一数据管理、提高数据综合分析能力的同时,实现各业务系统之间信息的互联互通。全网全方位实时监控、自动分析、科学调度,为工作人员提供辅助支撑,在更好地保障生产安全的同时,提升管理效率,实现供水运营智慧化。
(3)实现生产调度智能化。通过对管网压力的实时监控,结合水厂控制系统,合理调节并均衡管网压力(如进行夜间压力调控或局部压力调控),及时发现各种安全隐患并整改,提高生产调度水平。
(4)实现管网控漏科学化。采用dma(独立计量区域)技术,把整个供水管网分隔成几个区域,对每个区域的供水量、售水量进行监控、计量与分析。一方面,利用大数据分析技术,通过对历史数据波动及对比分析,发现已有漏损;另一方面,通过对实时数据的监控与分析,结合最小夜间流量法与总分表差法,及时发现新漏损。dma技术有别于传统全管网普查形式,解放生产力,对各个计量区域进行精细化管理,针对漏损重点区域有效探漏、修漏,降低管网漏损率,提高供水利用率。
4.推动城乡一体化供水设施建设。通过新建庙儿沟水库工程与石门沟水库联合调度,实现引大入秦工程向各区域自来水水源全覆盖,在黑石、石洞、水阜、什川四镇实施农村饮水提升改造工程,进一步巩固提升农村人饮供水水平。
5.2035年供水规划建设。以引大入秦工程为主要水源,中远期建设南水北调西线工程兰州新区配套工程,作为第二水源,形成双水源供水。规划新建新区第三水厂,以引大入秦工程为水源,供水规模20万立方米/日;规划新建新区第二水厂,以建设南水北调西线工程兰州新区配套工程为水源,供水规模60万立方米/日。至2035年,城镇集中供水普及率达到100%,工业用水重复利用率达到96%以上,公共供水管网漏损率控制到8%以内。同时,保障农村自来水普及率达到100%。
(二)推进污水处理系统建设
1.优先完善新区污水处理设施配套管网建设,实现新区污水管网全覆盖、全收集、全处理。结合兰州重点建设片区的建设发展,启动化工园区污水处理厂建设,近期建设规模为2万立方米/日。完善化工园区污水管网系统,新建初期雨水系统,使得处理达标后的污水进入尾水排放系统;随着东南片区和水阜、石洞镇域开发建设,适时启动第三污水处理厂建设,近期规模为2.5万吨/日;启动兰州新区第一污水处理厂二期工程,扩建规模为5.0万吨/日;启动兰州新区城市矿产和表面处理产业园污水处理厂工程,近期规模为2.0万吨/日,同时配套污水管网及设施。对已建污水管线进行提升改造,保障污水顺利排放。
2.加快污水处理厂尾水排放配套工程建设。规划对兰州新区第一污水处理厂进行提升改造,尾水进入兰州新区呢嘛沙沟(南绕城—刘家湾段)生态综合治理工程进行利用;职教园区西中心处理站尾水经湿地处理后排入雨水中通道;加固职教园区东中心处理站尾水调蓄池,雨水不再进入调蓄池,保证尾水正常排放;建设尾水排放湿地,引导职教园区东中心处理站调蓄池的尾水进入湿地进行净化处理后排入西岔调蓄工程。
3.加快兰州新区农村污水收集处理设施建设。按照“因地制宜、分类实施、经济实用、易于推广”的原则,分片区、分类型确定污水收集处理方式,编制落实《农村污水收集处理实施方案》、《兰州新区农村生活污水治理专项规划》,对距离市政管网较近的村庄优先考虑接入市政污水管网;对远离市政管网,但居住较为集中的村庄或相邻村庄考虑联合建设污水处理设施及配套工程,实现各乡村共建共享;对不便集中处理的偏远村庄,按地势、地形条件建设分散处理设施。
4.控制污水处理厂用地规模。按照相关规划规范及污水处理工程建设用地指标,以远期规模和深度处理分类来确定兰州新区城市污水处理厂用地规模。
5.推进污泥无害化处理设施建设。污水处理设施产生的污泥应进行稳定化、无害化和资源化处置,降低环境污染和生态风险,实现污泥的无害化和资源化利用。规划建设污泥处理厂,将污泥集中处理,彻底解决污泥处置困难的问题,污泥处理厂建设规模为600吨/日,生产辅助设施按总规模一次建设,生产线分步实施,“十四五”期间实施日处理污泥100吨的生产线。
6.稳步推进污水处理提质增效工作。规划扩建黑石、皋兰污水处理厂,新建水阜污水处理厂,完善污水收集管网建设,提高污水收集和处理能力,建成较为完善的城乡污水处理排放系统。
7.2035年污水规划建设。规划新区核心区扩建3座污水处理厂,新建3座污水处理厂,污水处理总规模达到81万吨/日,污水收集处理率达到100%。其中,扩建化工园区污水处理厂,处理规模达到21万吨/日;扩建第一、第四污水处理厂,处理规模均达到8万吨/日;新建第二污水处理厂,处理规模达到5万吨/日;新建第三污水处理厂,处理规模达到24万吨/日,新建第五污水处理厂(兰州新区城市矿产与表面处理产业园),处理规模达到15万吨/日。
(三)完善再生水系统,提高利用率
1.充分利用现有再生水设施。“十四五”期间,再生水主要用道路浇洒绿化及少部分工业回用水,充分利用第四再生水厂供水能力,完善第一再生水厂生产设备,产水能力达1万吨/日。
2.完善再生水管网及加压泵站系统。“十四五”期间,将再生水分为三个供水分区,其中纬四十六路以北区域由第四再生水厂供水2万m³/d,近期新建8#增压站(1万m³/d)和临时增压站(1万m³/d);纬三十六路以南、纬一路以北、经十五路以东区域由7号单体湖(容积约254万m³ )原水供水,供水规模2万m³/d;纬一路以南、经十五路以西区域由第一再生水厂供水1万m³/d,近期新建2#增压站(1万m³/d)。
3.2035年再生水规划建设。全面提升再生水品质,扩大再生水应用领域,加大再生水设施建设力度,全面提升再生水水质,全面将再生水用于工业生产、市政杂用、生态补水、农业灌溉等。
(四)推进排水体系建设
1.完善新区防洪排涝体系建设,通过水系连通工程和生态水系综合治理工程,有效缓解新区内涝风险,改善新区水环境。规划建设兰州新区水阜河水生态综合治理工程二期工程,延伸建设滞涝池河村段,总长度约5.19公里,治理标准为20年一遇洪水流量;建设兰州新区呢嘛沙沟(南绕城—刘家湾段)生态综合治理工程;其余部位作为排洪渠。
2.优化雨水排放分区及管道系统,加强系统衔接,畅通下游排水出口。调整东、中、西三大雨水分区,设置6个子分区,各子分区根据竖向和管网布置情况进一步细化。其中,东分区面积约51平方公里,排水出路为东排洪渠;中分区包括1、2、3、4四个子分区,总面积约178平方公里,排水出路为雨水中通道和下游的呢嘛沙沟;西分区总面积约57平方公里,排水出路为西排洪渠。
东分区北部雨水沿经二十九路、纬十六路汇入东排洪渠;中部雨水汇入经三十三路雨水干管再排入东排洪渠;南部雨水沿纬二十三路、纬二十九等汇入东排洪渠。西分区雨水通过经三路、经九路、经十路排入南部的4#、3#、2#湖,最后进入西排洪渠。中1分区雨水通过规划建设的北部片区雨水通道输送至雨水中通道;中2分区雨水沿纬五十八路、纬五十四路、纬四十六路等进入雨水中通道;中3分区雨水沿纬十二路、纬六东路、纬一路、纬三路、纬十九路、纬十五路等汇入中通道;中4分区雨水沿纬七路汇入南部水体,最后汇入呢嘛沙沟。重点雨水管网系统衔接工程如下:
(1)东分区:沿经三十三路敷设dn2400-3000、沿纬十六路敷设dn3000雨水管,将职教园区雨水引入西岔调蓄工程;沿经三十三路(纬八路以南)东侧建设dn2500-3000雨水干管,并建设调蓄池,总调蓄量不低于30万立方米;沿经二十七路、经二十九路、纬三十路、纬十四路、纬八路、纬六东路、纬三路等建设雨水管道。
(2)西分区:沿zb2#路、zb5#路、zb7#路建设雨水管道;沿纬二十二路建设dn400雨水管道,连接至经九支二路现状雨水管道;沿纬十一路建设dn600-800雨水管道,将雨水排入3#湖;对建材四路雨水管道进行改造,将综合市场雨水引入现状西排洪渠。
(3)中1分区:在西小川设置大型雨水调蓄池,沿经三十五路、经三十八路、经三十九路、fd22#路、经四十路、经三十七路、纬五十三路、纬五十一路、经四十二路、bw11#路、纬五十路(南侧)等建设雨水管道;改造纬五十四路雨水管道。
(4)中2分区:沿经四十五路、经四十六路、经四十九路、纬四十六路、纬四十八路、纬五十路、纬五十六路、纬五十八路、纬六十路、bz36#路、bz9#路、bz20#路建设雨水管道,解决附近企业雨水排放问题。
(5)中3分区:沿纬三十四路、纬三十路、jk1#路、jk3#路、jk8#路、纬二十八路、zb10#路、纬十四路、纬十二路、经二十五路、纬八路、纬六路、纬三路、纬二路、纬十三路、经二十七路、经二十八路、经二十九路、经三十一路、经十九路、经十七路等建设雨水管道。
(6)中4分区:恢复原双庙沟沟道排水功能,保证区域排水安全。
3.结合海绵城市建设要求,有效利用雨水资源,提高水资源综合利用率。推广硬化地面的渗透性铺装,加强雨水的渗透性,有效缓解地表洪峰流量,同时加强地下水的补充;
通过低洼绿地、池塘、简易储水罐等蓄存雨水,可作为道路绿地浇洒用水;就近排入景观水系,直接将雨水作为景观用水;小区或公园的雨水就近收集和处理利用,或结合低洼绿地进行雨水蓄渗利用。
4.2035年排水规划建设。全面加强城市雨水管网、排洪渠、雨水调蓄区和泵站等工程建设,实现建成区雨水系统全覆盖。雨水管渠设计重现期一般地区采用2-3年,重点地区采用 3-5年,地下通道和下沉式广场设计重现期采用10-20年一遇。规划核心区年经流总量控制率不低于85%,其他区域径流量系数不超过0.55。
(五)深化水资源体制改革。依法开展水资源使用确权登记,形成归属清晰、权责明确的水资源资产产权制度。培育和规范水权交易市场,引导社会资本投资建设水利工程,支持新增水资源使用权。在保障农业用水和农民利益的前提下,建立健全农业用水水权转换机制,深入推进农业水价综合改革,配套建设计量设施,健全农业节水激励机制。
九、健全绿地体系,共享绿色生活
(一)优化绿地生态系统
1.大力推进城乡一体的绿地生态系统构建。开展城乡环境绿化,加强城市绿地与外围山水林田湖等各类生态空间的衔接,将自然要素引入城市,结合道路、山体、水系、湿地、林地,培育城市绿心、绿楔、绿环、绿廊等结构性绿地,建设通风廊道和生态廊道,构建城乡一体、内外有机联系的绿地生态系统。
2.完善城市绿地系统布局和功能。合理布局公园绿地、防护绿地和其他绿地,加强城市特色景观风貌塑造、生物多样性保护、防灾避险、湿地保护利用等专项研究,促进城市绿地综合效益的发挥;开展海绵城市绿地系统规划研究,在满足生态、景观、游憩等功能的基础上,提高城市绿地系统的渗水、蓄水、净水功能。
(二)加强生态节约型园林绿化建设
1.进一步落实生态节约理念。积极推动生态节约理念在城市园林绿化规划、设计、施工、养护等各个环节的落实,采用近自然的方式建设城市园林绿地,科学合理布局绿地空间,避免非科学的“过度”建设,使资源、资金等充分发挥综合效益。
2.推动海绵型绿地建设。开展海绵型绿地系统构建及绿地海绵适宜技术研究和建设实践,强化“自然积存、自然渗透、自然净化”的海绵绿地建设理念,通过自然地形梳理和引导,因地制宜建设湿地公园、雨水花园、植草沟、透水铺装等,增强城市绿地系统调蓄净化、涵养水源的能力。
3.加快推进循环利用体系建设。推广使用河水、雨水、中水进行绿化浇灌及绿地地面保洁;加强园林废弃物再利用技术和工艺的研究,逐步建立园林绿化植物废弃物收运、处理及利用的产业链,推动园林绿化的资源循环利用。
(三)完善园林绿地综合服务功能
1.完善城市公园绿地体系。按照居民出行300-500米进入公园绿地的要求,加快推进“城市公园绿地10分钟服务圈”规划建设,提高公园绿地的可达性。完善公园绿地体系建设,逐步形成级配合理、类型丰富、功能多样的公园绿地体系。工业区、居住区等不同区域,要制定因地制宜、切实可行的“增绿建园”方案和措施,有效提升城市各区域的人均公园绿地面积,使公园绿地普惠百姓。
2.构建城市绿道系统。整合城市水系、山体、公园、广场、体育等公共设施,依托道路绿化、滨水绿化和防护绿化等线性绿地,有机串联城市公园绿地、文化、健身场所,满足居民亲近自然、游憩健身、绿色出行需求。充分利用城市林荫路体系,加强与城市公共交通和慢行系统的衔接。
3.提升公园绿地服务功能。完善公园绿地综合服务设施,为不同人群提供多样化的活动空间,满足公众休闲需求;加强公园标识系统的建设,提高公园绿地的可达性;坚持公园的公益属性,全面推进城市公园免费开放。
4.提高社会绿化与开放水平。加强对居住区和企业周边绿化的建设指导,落实居住区和企业周边配套绿化与主体工程同步规划、设计、施工、验收的环节,推进居住区和企业周边绿化水平不断提升;开展老旧小区绿化提升改造,增加绿量,完善游憩、健身设施,提升居住区绿地的生态和服务功能;有条件的企业周边绿地逐步对外开放;普及围墙、围栏、护坡、立交桥等的垂直绿化;推进室外停车场、车站广场等的林荫化建设,不断提高高大乔木对硬质地面的绿化覆盖率。
(四)提升绿色公共空间品质。通过系统规划、科学设计、精心施工和过程监管,建设一批体现地域性、文化性和时代性的精品公园绿地;加快老旧公园及品质低下的公园绿地的改造提升,发挥好存量绿地的综合效益;倡导文化建园、生态建园。
(五)提高园林绿化管控水平。严格执行规划,科学划定城市绿线,处理好与相关法定规划的衔接,严格落实绿线规划管制;加强城市园林绿地管控,推进建立永久性绿地保护制度,加强既有绿地管理保护,依法严肃查处违法占绿毁绿行为。
十、提升城市夜景,塑造新区景观
(一)利用地理环境及照明载体特征,打造多层次多维度夜景空间光序列。充分利用主城区地势空间特征,结合新区建设发展,打造宏观的整体性夜景照明空间结构。依托中川机场飞机航线的鸟瞰视角,着重刻画兰州新区夜景的图底关系对比。对山体、湿地自然保护区等进行严格的暗环境控制,明确其在城市照明中的作用;对新区不同夜景照明载体进行科学规划,形成层次分明的夜景观,突显其地位,打造第五立面的特色夜景。
(二)通过夜景照明基础设施的提升,塑造高品质公共空间光环境。通过对公共空间的照明基础设施提升,提高新区夜间公共资源的利用率,增强市民夜间活动安全感,提升新区夜景的整体品质,打造连续的公共开放空间体系和特征多样化的夜经济带,建立开放、多元、便捷的夜间公共环境。
(三)采用文化与技术相融合的方式,构建个性鲜明的夜经济节点和夜经济带。基于建设现状与未来发展方向,对各个组团进行主题确定,深化其在整个新区范围内的功能特征与景观特色,同时为各个组团的夜景建设提供明确方向与规划指引。梳理现状优质的景观照明载体,根据不同的主题塑造夜经济节点及夜经济带,进行特色夜景打造(如灯光节、灯光秀),结合载体特征,利用创新技术手段(如互动照明、全息投影等技术)进行不同主题独有的夜景展示,实现科技创新与区域特色的结合。
(四)完善夜景管理体系建设,为夜景建设管理法规与制度提供参考。强化夜景照明管理事前控制,构建多部门参与、联合审查、分阶段管控的管理机制,促进新区夜景照明规划、设计、建设和管理的有序开展,实现全过程、可持续、精细化的科学管理系统,为新区夜景照明管理体系的建设提供指导性理论依据。
(五)遵循绿色照明原则,结合当地特色适当引入智慧照明等新技术理念。以高效节能、环保、安全、舒适为宗旨,以规划的前瞻性和权威性为基础,依据环境影响分析,提出全系统、全过程的绿色照明管理要求。结合区域路段实际人流量、车流量、学校、医院、公共场所、小区周边等情况,逐步实现路灯智能控制,逐步实施现有路灯改造提升。通过合理的照明规划布局和先进的技术营造绿色健康、高质量照明环境,减少光污染,避免其对生态环境与居民生活造成影响,建设生态文明的美丽夜新区。
第六章 融资模式
一、建立多元化投融资渠道
积极创造条件,优化市场配置,通过直接融资、间接融资、特许经营、投资补助、政府购买服务等方式,鼓励社会资本参与有一定收益的公益性城市基础设施建设和运营。创新融资模式支持城市基础设施建设,探索设立绿色建设发展基金,重点支持垃圾污水处理设施、地下综合管廊、绿色建筑、绿色生态城区建设等发展项目。积极争取中央各类专项补助资金,以及国内外各类银行和非金融机构贷款。
充分发挥政策性金融机构的积极作用,在国家批准的捕鱼网的业务范围内,加大对公共服务、生态环保、基础设施建设项目的支持力度。努力为城市基础设施项目提供长期稳定、低成本的资金支持。
支持城市基础设施建设项目开展股权和债权融资,大力发展债权投资计划、股权投资计划、资产支持计划等融资工具,延长投资期限,引导社保资金、保险资金等用于收益稳定、回收期长的城市基础设施项目。支持建设项目采用企业债券、收益债券、公司债券、中期票据等方式筹措投资资金。
二、创新城市基础设施投融资和运营模式
推广使用政府与社会资本合作模式(ppp)开展城市基础设施投资建设和运营,形成政府主导、社会参与、公办民办并举的公共服务供给模式,切实提高公共服务供给水平和效率。发挥省级统筹作用,完善城市公用事业特许经营管理制度,规范社会资金参与城市基础设施建设运营。
三、推进基础设施reits建设
加快推进基础设施reits建设,将其作为盘活存量资产、形成良性投资循环、推动基础设施高质量发展的有效政策工具。围绕高质量发展的要求,加快转变政府职能,畅通融资渠道,防范债务风险,从长远视角统筹建立和完善企业自主决策、融资渠道畅通、职能转变到位、政府行为规范、宏观调控有效、法治保障健全的新型投融资体制。鼓励社会资本积极参与经营性基础设施项目,发挥政府资金的引导和带动作用,在基础资产准入标准、运营管理要求、适用法律规范等方面做进一步优化,更好释放基础设施类reits投融资效率。
充分认识基础设施reits建设的重要性,科学开展投资决策,合理安排投资节奏,聚焦重大项目和短板领域,确保当地基础设施投资有序推进。新型信息网络、战略性新兴产业、高科技产业、特色产业等前期固定资产投资大的基础设施,按照“试点先行、循序渐进、先易后难”的原则,选择盈利预期较强、前期工作比较成熟的项目先行先试,激活社会投资活力。
第七章 保障措施
一、加强组织保障,坚持规划引导
(一)加强组织保障。充分发挥重大城市建设项目的各个市级领导小组及其办公室的作用,统筹协调城市建设事业各项工作,加强各相关部门间的联动机制,形成合力,切实推动规划实施。进一步完善工作机制,通过强化工作计划、例会制度、专题协调、信息通报、督查考核等手段,解决城市建设事业发展中的问题和难点。
(二)加强规划统领。依据《兰州新区国民经济和社会发展第十四个五年规划纲要》及《兰州新区国土空间总体规划(2021-2035)》,做好衔接工作,树立规划先行理念,以规划为指导,制定年度实施计划,引领城市建设重大项目推进。
(三)健全协调制度。加强规划实施中各部门间的协调力度,明确各部门职责及分工任务。建立健全规划动态调整机制,滚动推进“十四五”时期重点建设的项目。制定符合设施特点和发展规律的管理办法,加强设施运行评价,提高设施运行效率。
(四)建立考核制度。建立“新区管委会—园区管委会—镇(中心社区)”的逐级考核督查机制。加快制定基础设施监测评估体系,实施动态监测与跟踪分析,开展规划中期评估和专项监测,推动规划顺利实施,每年对各项基础设施指标进行评估。
二、深化项目储备,加快项目推进
(一)深化项目储备。积极做好城市建设项目的前期研究,加强专项规划和建设项目的全面衔接。对规划明确的项目,要深入研究,为城市建设的有序推进打好基础。并按照“建设一批、储备一批、谋划一批”的思路滚动储备项目,积极谋划一批影响深远、综合效益明显的城市建设项目。
(二)保障项目用地。合理调整用地功能分区,适度增加混合用地供给,允许兰州新区报批一定数量项目储备用地。赋予兰州新区年度土地出让、租赁、交易等权限,支持兰州新区土地资源高效利用,鼓励以长期租赁、先租后让、租让结合、弹性年期等方式供应产业用地。
(三)加快项目推进。加强项目建设的平衡和调控,充分考虑征地、拆迁、环境、投资等各种制约因素,有重点、分层次、合理有序地安排项目建设时序,提高项目的建设效率和效益。着力做好工程建设方案宣传、拆迁政策解释、信访沟通等工作,及时协调解决制约、疑难问题,全力推进项目建设。
三、加大财政投入,扩大融资渠道
兰州新区管委会作为城市基础设施建设管理的责任主体,建立统筹协调工作机制,不断完善政策措施,加大资金投入,强化监管,确保各项任务全面完成。加大对城市基础建设的投入力度,根据行业特点,向薄弱和重点地区倾斜,研究采取专项支付等方式,实施“以奖代补”政策。积极争取中央财政补助资金和政策,充分利用专项资金,全面支持城市基础设施项目建设。
(一)加大财政投入。加大公共财政对城市建设的支持力度,持续巩固财政性资金在基础设施建设等方面的投入。对城市建设重点项目,应集中财力,按时、足额落实资金,同时,要加强对城市建设资金的监督管理,不断提高城市建设资金使用效益。
(二)扩大融资渠道。建立多层次、多元化的城市建设项目投融资体系,增强城市建设融资平台的造血功能。深化城市建设与管理的市场化运行机制改革,积极运用ppp等模式推进城市建设。吸引和鼓励多种投资主体参与可经营性城市基础设施项目投资、建设和运营。
(三)规范投资机制。根据市场化程度和价格水平,理顺政府、企业、社会投资关系,明确界限,进一步加大政府对公益性项目的投资力度。强化投融资改革,建立合理的投资回报机制,积极采取ppp、bt和reits等融资模式,吸引社会投资进入基础设施建设领域。
四、加强政策研究,创新体制机制
(一)加强政策研究。按照国家加强供给侧结构性改革的总体要求,注重短期政策与长期政策的衔接配合,积极探索研究出台一批增进公平效率、集聚资源要素的重大政策。既要重视房地产行业的结构性去库存,又要着力加强城市建设领域的补短板,提高供给体系质量和效率,增强持续增长动力。
(二)创新体制机制。加快转变政府职能,创新政府管理方式。积极做好项目审批流程的试点工作,按照审批再提速、服务更高效的目标,进一步创新模式、压缩审批时限、提高政府服务效率。创新城市建设重大项目的运营管理方式,实行投资、建设、运营、监管的市场化管理体制和运行机制。运用信息化技术,深化完善“智慧城建”应用,为城市建设管理提供科学决策。
(三)完善供地政策。制定适度宽松的土地扶持政策。列入本《规划》的重点基础设施建设项目,应当与国土空间总体规划相衔接,尽量不占耕地,特别是优质耕地和基本农田,同时集约用地,应在政策允许的框架下,倾斜安排建设用地指标。
(四)建立审批绿色通道。各级部门应当在项目立项、规划审批、土地征用、财政投入等环节,为重点基础设施的建设开辟绿色审批通道,优化相关程序,加快推进基础设施建设。
五、强化监管督查,提高执法水平
“十四五”时期,坚决抓好基础设施安全建设,确保持续稳定的城市安全运行环境。
(一)强化监管督查。进一步加强对城市建设项目的监管督查,及时开展重大建设项目督查工作,确保项目规范推进以及资金有效使用。建立健全城市建设的各项监督管理机制,积极发挥社会舆论监督作用,形成全民参与、齐抓共管的良好氛围。
(二)提高执法水平。严格落实国家、省、市在城市建设领域的各项政策法规,针对城市建设出现的新情况、新问题,特别是在改善民生、社会管理和公共服务等方面,要适时出台、修订相关法规及配套措施。进一步整合执法资源,加大执法力度,确保城市建设依法行政、规范行政。
(三)加强安全管理。实施“科技强安”战略,依靠科技创新有力提升安全技术装备水平;加大安全科技研发力度,搭建安全科技“产学研用”一体化平台;充分利用新一代信息技术,深入挖掘和广泛运用信息资源,构建智能化管理平台,全面提升运行管理的效率和效能,实现更全面的感知、更主动的服务、更整合的资源、更科学的决策、更自动的控制和更及时的应对。
六、优化人才队伍,完善人才服务
(一)优化人才队伍。坚持党管人才原则,以党政人才能力提升为基础,以专业技术人才结构优化为重点,提升人才队伍的职业素养和创新能力,提高服务城建的能力和水平。坚持深化改革、政策创新,搭建高等院校、科研院所及企业间的战略合作平台,构建城市建设各类人才的聚集高地。
(二)完善人才服务。创新行业人才展示平台,通过人才选培、职称评审、技能比武、岗位竞赛等方式,为人才创业创新创造条件。依托专业人才知识更新工程等载体,加强各类紧缺人才、高层次人才培养。引入“互联网 ”,打造行业诚信体系,提供智能化、个性化人才服务,逐步探索建立城建行业人才评价激励机制。
第八章 城市相关专业规划
一、提升宜居水平,稳定住房市场
(一)“十三五”期间完成情况。“十三五”期间,共开工建设各类住房10.1万套,其中建设商品房7.69万套,保障性住房8796套,实施棚户区改造1.7万户。
(二)“十四五”期间城镇住房建设
1.总体目标
以提高兰州新区整体住房建设水平为主要方向,优化住房发展空间布局,深化住房建设科技创新,建设宜居幸福兰州新区。突出“民生优先”,补齐住房供应体系短板,形成租购并举、多层次、全覆盖、可持续的住房供应体系和住房保障体系,全面实现住有所居。继续坚持“房住不炒”的定位,因城施策,分类调控,构建平稳健康的住房市场,持续提升居民住房满意度,为兰州新区“十四五”期间实现高质量发展提供强有力支撑。
2.总量目标
结合新区高质量快速发展和移民搬迁等住房需求,“十四五”期间,兰州新区规划城镇住房12.2万套,新增各类住房建筑面积1650万平方米,居住用地供应面积660公顷。
3.分项目标
(1)供应体系多元稳定。坚持以住房供给侧结构性改革为主线,突出多层次、差异化、全覆盖,针对居民、人才等各类群体,构建多主体供给、多渠道保障体系,适应不同收入水平居民支付能力的住房供应体系并保持相对稳定。
(2)住房保障精准全面。以保障新市民住房问题为主要出发点,加快建立以公租房和保障性租赁住房为主体的住房保障体系,针对不同收入人群,制定不同政策,支持各类住房需求。“十四五”期间,规划新增市场化住房建筑面积1370万㎡,保障性租赁住房建筑面积约280万㎡。
(3)住房市场平稳健康。从实际出发,坚持问题导向,加强市场监测,完善房地产市场调控政策,构建住房市场平稳健康发展长效机制。采取差异化调控措施,因城施策,实现“稳地价、稳房价、稳预期”的调控目标,确保房地产市场平稳健康发展。加快培育多层次、多种类、多渠道的住房租赁市场,稳定市场预期,使居民首次置业和改善性住房需求有序释放。“十四五”期间,全市新增商品住房9万套。
(4)宜居水平显著提升。深入贯彻落实新发展理念,着力提升城市品质和人居环境质量,加快住房建设科技创新,进一步提高居住安全和节能效率,强化各类住房执行节能强制标准和绿色建筑标准,实现住房绿色低碳发展。完善社区基础设施和公共服务,创造宜居的社区空间环境,营造体现地方特色的社区文化,建立和完善城市建设管理和人居环境质量评价体系,开展美好环境与幸福生活共同缔造活动,推进“完整社区”建设。
(5)妥善安置受灾移民。积极响应省委、省政府号召,按照《兰州新区党工委办公室 管委会办公室关于成立承接灾后重建易地安置和生态移民安置工作领导小组的通知》(新办发〔2020〕69号)要求,做好住房安置区域划分、规划选址、用地指标落实、前期手续办理、安置住房户型设计及建设、房屋分配、配套附属生活设施建设等工作,确定一批,谋划一批、建设一批;成熟一批,搬迁一批,安置一批,积极稳妥做好移民安置房源保障。

二、推动建筑业发展,提升行业实力
建筑业在兰州新区国民经济体系中占有极其重要的地位,“十四五”是推进建筑行业改革发展的关键时期。兰州新区建筑业将坚持高质量发展,依法行政的原则,以深化建筑业供给侧结构性改革为主线,以完善建筑市场监管体制机制为重点,进一步加大建筑市场监督执法力度,严厉打击违法违规行为,提升建筑产业现代化水平,全力推动建筑业持续健康高质量发展。
(一)建筑业发展回顾。“十三五”期间,兰州新区住建交通领域以习近平新时代中国特色社会主义思想为指导,深入贯彻习近平总书记系列重要讲话精神,落实省委、省政府决策部署,积极应对新常态及经济下行压力加大带来的挑战,坚持稳中求进工作总基调,坚持新发展理念,深化“放管服”改革,紧盯目标任务,强化事中事后监管,有效规范建筑市场秩序,全面提升从业人员素质,积极推动建筑市场健康有序发展。建筑业产业规模不断扩大,为推动经济社会发展、加快城镇化建设和产业结构调整优化发挥了重要的基础性作用。
1.发展成就
(1)规模效益与质量并行。“十三五”期间,兰州新区建筑业产值规模稳中向好。截止2020年末,完成建筑业总产值 175.59亿元,建筑业增加值占兰州新区生产总值的比重保持在26%左右,建筑业对社会经济发展的贡献进一步提高,持续保持在新区国民经济中的主要产业地位,为推进兰州新区城乡建设和新型城镇化发展,改善城乡居民生产生活条件,吸纳农村转移劳动力,缓解社会就业压力做出了重要贡献。
(2)产业结构逐渐调整优化。“十三五”期间,兰州新区加大建筑业产业结构的调整力度,促进建筑业企业做大、做强、做精、做专,企业的资质结构和产业结构不断完善,重点骨干企业总体实力增强。到2020年末,兰州新区建筑业增加施工总承包一级资质企业5家、施工总承包二级资质企业32家、施工总承包三级资质企业102家,基本具备承接各类工程项目的能力和水平。一些骨干大型企业积极延伸产业链,优化产业布局,综合实力和市场竞争力进一步提升。
(3)工程质量安全水平提升。“十三五”期间,工程质量安全形势平稳可控。建筑施工安全专项治理行动深入推进,大气污染防治工作持续强化,质量安全监管制度体系不断健全。
(4)建设工程消防审查验收备案工作有序推进。“十三五”期间,建设工程消防设计审查、消防验收、备案和抽查工作由消防救援机构移交住建部门,新区成立消防监督机构,补充工作人员,以政府购买服务的方式,委托具备能力的技术服务机构开展建设工程消防设计审查验收工作,大力推行事前服务和事中指导,各项工作有序推进。
(5)项目审批制度改革呈现亮点。“十三五”期间,兰州新区大力推进工程建设项目审批制度改革,不断精简审批环节、压减审批事项、合并审批阶段、优化审批流程、压缩审批时限、实施全程网办,推行企业投资项目承诺制、工业用地“标准地”出让模式和帮办代办服务,工程建设项目审批制度改革成效显著,经济发展活力持续释放,在全省树立起良好的标杆形象。
(6)市场监管制度不断完善。“十三五”期间,兰州新区全面深化建筑业“放管服”改革,进一步优化营商环境,广泛推进建筑市场信息化建设,加强全国建筑市场监管公共服务平台的应用,省级建筑市场监管一体化工作平台建设逐步完善,实现了全国建筑市场“数据一个库、监管一张网、管理一条线”的信息化工作目标。兰州新区电子化行政审批业务全面开展,与相关部门的数据连接实现互联互通,建筑工人实名制管理全面推行,建筑用工管理信息化水平不断提升,以大数据为依托进行建筑市场动态监管,行政执法联动、行业自律、社会监督相结合的建筑市场监管体系已经形成。兰州新区建筑工程施工发包与承包等违法违规行为专项整治行动深入开展,严厉打击围标、串标、违法发包、转包、违法分包和挂靠等违法违规行为取得明显成效,行业监管能力和水平逐步提升,市场各方主体行为基本规范,建筑市场秩序逐步好转。
(7)装配式建筑发展势头强劲。“十三五”期间,兰州新区大力支持装配式建筑配套产业快速发展,已初步形成支撑装配式建筑发展较为完整的产业链。自2016年兰州新区装配式建筑面积实现零突破以来,呈现出小幅快速增长趋势,目前兰州新区已累计建成装配式建筑项目面积达13余万平方米,在建装配式建筑项目面积超过10万平方米。兰州新区保障性住房(二期)是西北地区规模最大的装配式钢结构住宅项目,被国家科技部立项为全国八个“绿色建筑及建筑工业化部品库”课题示范项目,被甘肃省建设厅立项为“甘肃省装配式示范工程”。
2.主要问题
(1)产业结构不尽合理。企业经营创新发展意识不强,资质普遍偏低,市场扩张能力不足,偏重房屋建筑、市政公用工程施工,在地铁、高铁、轨道交通、机场等利润相对较高的高端市场,以及海绵城市、综合管廊等基础设施建设方面缺乏竞争力。项目管理精细化、标准化、规范化程度不高,劳动生产率较低。
(2)科技与信息化水平不高。建筑产业仍未完全摆脱劳动密集型传统产业局面,建筑工业化程度低,新技术应用研发投入不足,信息化技术应用水平不高,技术装备化程度不够,管理创新能力不强,核心竞争力相对国内领先企业仍处于劣势地位。
(3)企业综合实力不够强,外部市场拓展能力有待提升。兰州新区无特级资质企业,一级资质企业数量相对于其他市州存在较大差距;区外建筑企业在兰州新区开展业务量占比远高于新区对外承包业务规模,建筑企业整体竞争力较弱;行业国际化程度不高,在国内国际市场业务领域总体缺乏竞争力。
(4)建筑产业现代化总体推进缓慢。目前兰州新区建筑业生产方式仍然比较粗放,与建筑工业化、数字化、信息化发展及高质量发展要求相比存在很大差距,对经济增长的贡献还有待进一步提升。工程总承包的推进尚处于起步阶段,全过程工程咨询服务模式尚未建立,开展全过程工程咨询服务的能力和社会认知度还比较低。
(5)装配式建筑发展水平不高。装配式建筑统筹推进力度仍需加强,需要建立有效的统筹机制,在土地出让、住房规划、城市更新等关键领域和环节落实装配式建筑要求,不断完善装配式建筑政策体系制度。装配式建筑地方标准、规范、图集、工法等技术文件还无法支撑大规模工业化、信息化、智能化装配式建筑项目实施,装配式建筑上下游产业链还需进一步健全,建筑成本较高,从业人员能力水平参差不齐,不利于装配式建筑高质量发展。
(6)建筑市场信用体系建设有待加强。建筑市场各方主体的信用档案尚不够健全,对信用信息认定、采集、公开、评价和使用的监督管理工作有待加强,失信联合惩戒机制有待进一步落实。
(二)“十四五”时期主要任务及重要措施
1.深化建筑业改革
(1)深化审批制度改革。进一步深化建设领域“放管服”改革,优化建设领域营商环境,继续下放审批权限,简化、优化行政许可事项审查标准和流程,提高审批效率,提升服务质量。推进智能化审批,建立信息共享平台,逐步实现“互联网 政务服务”的“一站式”服务系统。深化工程建设项目审批制度改革,分区域、分类别精准优化审批流程,压缩审批时间,继续推行全程网办,提高建设项目全流程审批效率。鼓励企业整合资源,晋升资质等级,拓宽捕鱼网的业务范围,延伸产业链。
(2)深化建筑市场监管体制改革。加强建筑市场事中事后监管,全面推行“双随机、一公开”监管制度,优化完善建筑市场监管一体化平台建设,构建以企业、从业人员、项目信息为核心的行业管理大数据资源库,探索建立基于数据资源库的分析、预警和网上监管等功能。加强对建筑市场招标投标、项目管理、合同履约、农民工工资支付等行为的监督检查,严格落实注册执业人员责任,加大执业责任追究力度,规范建设工程参建各方责任主体市场行为,加快推进建筑市场信用体系建设,完善各方主体信用档案,实施信用信息公开制度,建立有效的守信激励和失信惩戒机制,将信用信息与招投标、行政许可、评优评奖、工程担保、政策扶持等挂钩。
(3)积极推进招投标制度改革。进一步完善招投标管理制度,全面落实招标人对工程招标投标活动的首要责任,夯实招标投标活动中各方主体责任。优化招标投标方法,缩小招标范围,推进非国有资金投资工程建设项目直接发包机制(大型基础设施、公用事业等关系社会公共利益、公众安全的项目除外)对政府投资工程鼓励采用全过程工程咨询、工程总承包方式,减少招标投标层级。探索推进评定分离方法,全面推行电子招标投标,落实招标投标交易全过程电子化和异地远程评标机制,实现招标投标活动信息公开。推动市场形成价格机制,建立完善综合最优价中标的招投标激励机制,增加质量、安全、科技创新、诚信评价在评标中的权重,引导企业争创国家级奖项,鼓励建筑业企业争创精品工程,实行优质优价。加强对招标投标交易信息的共享、分析和应用,提高工程招标投标监管水平。
2.优化建筑市场环境
(1)规范建筑市场秩序。严格遵守建筑市场监管相关法律法规规定,落实监管责任,强化“事中事后”管理。有效利用信息化管理手段,加强对企业的动态监管,建立建筑市场各种违法违规行为整治长效机制,严厉打击围标、串标、违法发包、转包、违法分包和挂靠等违法违规行为。进一步理顺招标投标监管机制,加大信息公开力度,接受社会公众监督。落实建设单位在发包环节的首要责任,有效防止出借资质、随意抬高项目招标门槛、随意压级压价、虚假招标、明招暗定等行为,打造公平公正建筑市场环境。
(2)全面推行工程担保制度。在新区房屋建筑和市政基础设施工程中全面实行工程担保制度,进一步减轻企业负担,激发市场主体活力。适度降低投标保证金、履约保证金、工程质量保证金和农民工工资保证金缴纳额度。支持银行业金融机构、工程担保公司、保险机构作为工程担保保证人开展工程担保业务。全面推行工程保函替代保证金,企业能够提供保函的一律采用工程保函替代保证金,任何单位和部门不得排斥、限制或拒绝。
(3)推行现场实名制管理制度。在建筑工程施工现场对项目管理人员(施工、监理)、劳务作业人员进行实名制登记管理依托省建筑市场监管信息平台,建立施工现场实名制监管系统,强化对项目管理人员到岗履职,落实项目管理责任的动态监管,实现对建筑工人的现场考勤,有效杜绝拖欠农民工工资行为和恶意讨薪行为,维护建筑工人和建筑企业的合法权益。
(4)建立完善建筑市场信用体系。加快完善建筑市场信用系统建设,健全市场主体信用档案,完善信用信息的分级管理制度,对存在严重失信行为的市场主体予以惩戒,推动建筑市场信用信息在招标投标等建筑活动中规范应用。
3.完善工程建设组织模式
(1)稳步推行工程总承包
加强组织领导,做好示范引导,在新区房屋建筑和市政基础设施项目建设中加快推行工程总承包。进一步建立健全工程总承包监管机制,完善招标投标、施工图设计文件审查、工程质量监督、施工许可、竣工验收备案、消防设计审查与验收、工程结算等方面对应工程总承包建设组织方式的配套制度,为工程总承包的顺利实施提供制度保障,严格落实工程总承包单位在工程质量、安全、进度控制及成本管理等方面的责任,提升工程质量水平和投资效益。加快培育省内具备设计、施工双资质的企业,提升工程总承包市场承接力量,弥补工程总承包资源弱项。
(2)积极推进全过程工程咨询服务发展
在房屋建筑和市政基础设施领域积极发展以市场需求为导向、满足委托方多样化需求的全过程工程咨询服务模式,提高投资效益、工程建设质量和运营效率。鼓励本地有实力的监理企业与投资咨询、勘察、设计、招标代理、造价等企业通过兼并重组、联合经营等方式积极发展全过程工程咨询业务,并及时总结和推广经验,扩大全过程工程咨询的影响力,促进工程建设全过程咨询服务发展。加强对全过程工程咨询服务活动的引导和支持,通过示范项目的引领作用,逐步培育一批全过程工程咨询骨干企业,提高全过程工程咨询的供给质量和能力。
(3)改进建筑用工方式
培育一批以专业化作业为主的建筑业作业企业。积极创新方法,以作业企业为建筑工人的主要载体,落实建筑工人实名制管理,逐步实现建筑工人公司化、作业化管理。鼓励施工企业培养和吸收一定数量的有技能专长的建筑工人,不断扩大自有工人队伍,促进建筑工人向技术工人转型。不断强化建筑领域职业技能培训,培养懂技术、善经营、会管理的新型技能人才。督促企业履行社会责任,不断改善建筑工人工作环境,提升职业健康水平。
4.提高企业竞争实力
(1)支持企业做大做强。优化资质审批流程和时限,鼓励本地企业积极进行资质升级及增项,不断加强自身能力建设,拓宽捕鱼网的业务范围,更好地适应市场发展。支持民营建筑企业混合所有制改革,鼓励国有企业通过股权合作、项目合作等多种方式与本地民营企业开展一对一帮扶,带动民营企业发展。鼓励骨干企业和成长型企业开展合作、兼并与重组,提升企业资本实力和投资能力。建立领跑企业培育库,引导逐步实现由建造建筑产品向开发、经营建筑产品延伸,培育“投建管营”一体的企业集团。鼓励中小型建筑企业走专业化、精细化发展道路,大力发展专业化施工,推进以特定产品、设备、技术、工艺、工种为基础的专业承包企业快速发展。
(2)支持企业拓展捕鱼网的业务范围。支持企业通过参股、控股、合作和联合体等多种方式进入公路、水利、市政、铁路、城市综合管廊、海绵城市建设等重点投资建设领域。紧抓信息化基础设施发展重要机遇,大力支持专业企业进入5g、智慧城市等高技术含量基础设施建设领域,形成一批资金雄厚、人才密集、技术先进、有较高竞争力和较强影响力的知名企业和品牌企业。
(3)支持企业“走出去”向外发展。通过为新区建筑企业“走出去”提供开放平台,扩展交流模式,提供咨询服务,加强协调对接等形式,扶持新区大型建筑企业加快进入国内外高端市场,支持企业与国内外知名承包商组成联合体,承揽境内外大型工程项目建设。
5.推动建筑业高质量发展
(1)加快推进建筑工业化发展。围绕建筑业高质量发展总体目标,贯彻创新、协调、绿色、开放、共享的新发展理念,以大力发展建筑工业化为载体,以数字化、智能化升级为动力,形成涵盖科研、设计、生产加工、施工装配、运营等全产业链融合一体的智能建造产业体系。建立新区智能建造与建筑工业化协同发展的体系框架,配套出台实施方案,加快推进我省建筑业转型升级和提质增效,全面提升智能建造水平。
(2)大力发展装配式建筑。建立装配式建筑统筹推进机制,加快推进装配式建筑发展;优先发展装配式钢结构、钢-混组合结构等结构体系;全面扩大装配式建筑实施范围并逐步推动向市政、交通等领域扩展;力争打造成为甘肃国家级装配式建筑示范城市;积极争取装配式建筑“绿色建造”和“智能建造”两大试点示范;全力谋划在西北地区具有核心竞争力的“建设科技创新研发中心”“建筑机器人研发中心”“建筑新材料研发中心”“建筑产业互联网平台研发中心”及“建筑智能化设施设备研发中心”等五大特色研发中心;通过开展八大专项行动(完善政策体制机制行动、推动工程项目落地行动、加强技术标准创新行动、保障工程质量安全行动、创新建设管理模式行动、加快产业集群培育行动、加强人才队伍建设行动、推动产业融合发展行动)和实施四大保障工程(加强组织领导、加大政策支持、强化考核监督、加强宣传引导)来推动和保障兰州新区装配式建筑量质齐升的健康发展,兰州新区将成为兰州市乃至甘肃省装配式建筑发展的核心牵引力,并形成装配式建筑体系的整体捕鱼网的解决方案对外输出,打造新区经济新的增长点,力争实现技术产品辐射西北、理念影响全国。
(3)持续推进绿色建筑发展。兰州新区的新建民用建筑项目原则上全部按照绿色建筑一星级及以上标准建设,在设计阶段参照《兰州新区绿色建筑设计导则》进行绿色建筑设计。绿色建筑设计除应符合本规范的规定外,尚应符合国家和甘肃省现行有关法律法规和标准的规定。
(4)加快推进建筑信息模型(bim)技术应用。加快推进建筑信息模型(bim)技术在勘察、设计、施工和运营维护全过程的集成应用,实现工程建设项目全生命周期数据共享和信息化管理。设计企业要应用bim技术构建数字设计基础平台和集成系统,实现设计、工艺、制造协同。部品部件生产企业要利用bim技术进行部品部件加工,实现部品部件生产数字化、智能化升级。施工企业要利用bim技术组织施工,建立装配式建筑施工管理系统,实现高精度安装控制目标。
(5)强化事中事后监管。充分利用5g、大数据、人工智能技术,推广智能建造内容,推进建筑工业化、数字化、智能化升级,加快建造方式转变,改变项目监管和管理模式,强化项目建设过程管理,推动建筑业高质量发展。
6.守住消防安全底线
(1)加强宣传教育。引导建设单位及各化工企业进一步提高思想认识,从坚持总体国家安全观、保障人民生命安全的大局出发,充分认识做好建设工程消防设计审查验收工作的重要性,主动熟悉消防设计审查验收办理流程,严格按照消防设计规范、施工规范及审查合格的消防图纸施工,认真细致完成消防验收检查时提出的问题整改并申报复验。
(2)形成部门联动。会同新区消防支队持续开展消防排查整治,一方面紧盯排查出的隐患台账,挂牌督办、销号管理,确保隐患清零;另一方面加大检查力度,拓宽检查覆盖面,指导园区建设局切实履行属地化监管职责,及时发现问题、整改问题,同时督促建设单位切实履职尽责,全力做好建设工程消防设计审查验收管理工作,从源头上保障建设工程消防安全。
(3)做好跟踪服务。认真梳理已开工建设项目,对消防设计审查、消防验收工作办理滞后的项目逐一对接,及时帮助解决企业在申请消防设计审查验收过程中遇到的难题,做好指导服务工作。
7.加强监测与对接服务
(1)强化统计监测。各园区住建领域管理部门要落实好推进建筑业持续健康发展的各项政策措施,结合兰州新区建筑业发展情况,对照建筑业发展目标,协调统计部门及时掌握建筑业相关统计指标,从产业结构、市场结构、产业现代化水平、综合效益等方面做好行业发展动态监测,定期发布建筑业改革发展情况。
(2)精准对接服务。建立干部对接企业制度,强化现场调研,畅通沟通渠道,切实解决企业遇到的难点、堵点和痛点,帮助企业良好发展。
三、推进停车设施建设,优化停车环境
以“适度供给、调控需求、动态平衡、集约共享”为原则,把握新区发展优势,制定顶层设计,结合城市发展同步推动停车设施建设,强化停车用地预控、重视建管指引,实行差异化停车配建指标,加快公共停车场建设,坚持差别化供给原则,保障停车有位、有序,逐步形成“路内停车 配建停车”一体化的停车设施供给模式,逐步构建布局合理、结构完善、规模适宜的停车设施。
(一)推进公共停车设施建设。要加大对公共停车设施用地、资金、政策的保障力度,充分利用地上地下空间,积极推动停车楼、地下停车场、机械式立体停车库等集约化的设施建设;对于经营性公共停车场,在土地出让(出租)、规划建设、经营管理等方面给予一定的优惠政策,吸引社会资金加快公共停车场建设;以商业综合体、居住区、大型综合交通枢纽、城市轨道交通外围站点、医院、学校、旅游景区等特殊地区为重点,通过内部建设或改建停车场,鼓励城市待建土地、空闲厂区、边角空地等闲置场所设置临时停车设施,采取多元化措施扩大公共停车设施供给;持续推动新区客运东站,新区南站站前广场配套公共停车场建设。
(二)加强配建停车设施建设。要严格按照国家有关规定和《兰州新区城市规划管理技术规定》配建标准,对新建、改建、扩建的公共建筑、居住小区、商场、旅游场所等的停车设施配建数量及出入口设计进行审查,鼓励超额配建、捆绑建设、增建公共停车设施。建立泊位建设监督检查机制,督促建设单位严格按照标准配建停车设施,按照有关规定配建电动汽车充电设施和预留安装条件,积极推进停车场配套充电设施,推动形成布局合理、智能高效的充电设施体系。
(三)科学规划路内停车位。研究路内停车泊位的设置,定期分析路内泊位的设置位置、数量等对交通流的影响,要逐年缩减、合理清退。泊位设置不得占用人行道,应保证人行道和自行车道的连续性、安全性,不影响步行和自行车的正常通行。要严格执行国家关于中小城市路内停车泊位总量不得超过泊位供给总量15%的要求。
(四)积极鼓励共享停车。各园区要鼓励并引导公共机构和企事业单位的内部停车场对外开放,盘活存量停车资源。推行错时停车,鼓励有条件的居住区与周边商业办公类建筑共享停车泊位。实行错时停车的,双方应在公平协商的基础上签订共享协议,公示泊位数量、停放区域、管理措施等信息。允许个人利用互联网信息技术,将个人所有停车设施错时、短时出租、出借,并取得相应收益。
(五)加强充电设施建设。按照“适度超前、分步实施,试点先行、示范带动,市场运作、创新机制,强化服务、方便用户”的原则,“十四五”期间,基本建成全面覆盖、布局均衡、集中分散、适度超前的充电基础设施网络,具备与新能源汽车用量相适应的充电服务能力。
1.加强电网配套保障能力。要将充电基础设施配套电网建设与改造纳入当地配电网专项规划,并与其他相关规划相协调,在用地保障、廊道通行等方面给予支持。电网企业要加强充电基础设施配套电网建设与改造,保障充电基础设施无障碍接入,确保电力供应满足充电设施运营需求。
2.推进公用领域充电设施建设。以公交、出租等公共服务领域为突破口,优先推进以集中式充换电站为主、分散式充电桩为辅的充电基础设施建设。对于公交、环卫、景区观光等定点定线运行的电动汽车,根据线路运营需求,在停车场站配建充电设施。
3.鼓励单位配建充电基础设施。鼓励具备条件的政府机关、公共机构、国有企业在单位内部停车场规划建设快慢充相结合的专用停车位和充电桩,原则上按不低于单位内部停车位10%的比例配建充电桩或预留建设安装条件。
4.推进小区充电设施建设。将用户居住地作为分散式专用充电桩建设的重点,给予积极鼓励和推动。原则上,新建住宅配建停车位应100%建设充电基础设施或预留建设安装条件。积极推动建成居民小区停车位统一改造,对于有固定停车位的用户,优先在停车位配建充电设施;对没有固定停车位的用户,通过在居民小区配建公共充电车位,建立充电车位分时共享机制。鼓励充电服务、物业服务等企业参与居民小区充电设施建设改造和运营管理,在符合有关法律法规的前提下向用户适当收取费用。
5.布局城市公共充电设施。按照从城市中心向边缘、从城市优先发展区域向一般区域逐步推进的原则,布局建设以快充为主、慢充为辅的公共充电设施。积极推动在大型商场、超市、宾馆、文体场馆等建筑物配建停车场以及交通枢纽等公共停车场建设公共充电设施;适当新建独立占地的公共快充站。原则上,大型公共建筑物配建停车场、社会公共停车场建设充电设施或预留建设安装条件的车位比例不低于10%,每2000辆电动汽车至少配套建设一座公共充电站。公共充电桩与电动汽车比例力争达到1:10,城市核心区公共充电服务半径力争小于25公里,“十四五”期间计划新建8座新能源公共停车场。
(六)强化停车管理。依据《兰州新区机动车停放服务收费办法》《兰州新区机动车停车场管理办法(试行)》文件要求,进一步加强停车场管理。
1.提升信息化管理水平。统筹推进兰州新区停车诱导系统建设,提升停车设施管理标准化、信息化、精细化水平。倡导停车场经营者、管理者应用现代信息技术、通信技术提高停车设施利用率,并减少因寻找停车泊位诱发的交通需求,促进车辆号牌自动识别、停车位占用状态识别等智能技术的开发与应用,利用现代互联网技术,促进停车与互联网融合发展,鼓励居民通过手机等移动通讯工具,查询、预约车位以及进行付费。
2.开展差异化收费管理。实行“核心区高于非核心区、道路高于非道路、地上高于地下、小区外高于小区内”的差别化收费政策,通过价格杠杆调节停车需求,引导车主“短停快走”,引导机动车向小区内、路外、非核心区域分流,遏制长期占用车位的“僵尸车”现象,缓解中心区域停车压力。
3.加强停车综合治理。城市停车行业主管部门要积极会同相关执法部门,建立完善工作制度和机制,形成合力,以停车入位为目标,加强对违法停车的执法力度,对影响公共安全和造成道路交通严重拥堵的违法停车行为,进一步加大查处力度。将违法、违章停车情况突出的区域、路段列为治理重点,维护城市道路停车秩序,对道路停车拒付费、超出规定时间停车等行为进行纠正。
四、推进户外广告空间规划管理
(一)规划范围。围绕建成区中川园区、秦川园区和西岔园区三个园区范围内的道路、公共场所、重要建筑、重点节点位置设置户外广告及招牌设施。
(二)规划思路。户外广告在空间上分布范围广而散,就其设置位置来说可以概括为“面(宏观层面)、线(中观层面)、点(微观层面)”三个层次。“面”指户外广告设置分区,通常按城市不同的用地功能划分,主要针对建筑墙面广告和屋顶广告的控制;“线”指城市对外交通道路、主次干道和滨河廊道等,主要针对各类独立落地广告和依附城市家具广告的控制;“点”指城市的门户节点、商业广场节点、标志性景观节点等。通过“以点带线、串联成面”的思路,以分区规划控制为引导,采取路段节点为重点的规划方式,实现对户外广告设置空间全覆盖和类型全覆盖的目标控制。
(三)控制区域划分
1.按照规划控制划分。根据城市用地功能、人口活动频率、公共空间分布、商业业态布局、城市景观特征等,将户外广告设置从空间上分为三类:禁设区、重点控制区和规范设置区。
2.按照功能特征划分。根据功能需求分为综合服务风貌区、旅游休闲风貌区和机场商务景观风貌区,并将其作为重点控制区加强管理,其他分区户外广告以规范设置和禁止设置为主,设置户外广告应符合技术规范要求。
(四)设置类型划分。依据《城市户外广告设施技术规范》(cjj149-2010)将户外广告按位置分为建(构)筑物附着式、公共设施附着式、落地式、移动式共四大类;牌匾标识分为楼宇标识和店招牌匾两大类。通过设置类型与区域两种分类方式叠加分析,并通过布局、位置、间距、密度、形式、尺度、色彩、照明、材料设计等要素对户外广告进行规划控制。
(五)彰显城市特色。兰州新区作为国家级新区,将成为内陆面向中西亚对外开放大宗战略性物资和商品的物流中心,以及技术、信息、文化交流及合作的通道和平台,打造宜业宜居宜游的现代化产业新城区。
统筹规划兰州新区户外广告设施,提出“文化、活力、枢纽、融合”的形象定位,对城市重点景观区段、门户节点编制户外广告详细规划设计。利用“一带一路”元素进行概念设计,使户外广告媒体与整体环境相协调,产生有机联系,形成兰州新区特有的户外广告景观。
五、人民防空规划建设
(一)“十三五”时期人民防空建设回顾。“十三五”期间,新区人民防空建设坚持“四个全面”战略布局,牢固树立“五大发展理念”,紧紧围绕省级人防统筹协调,突出建设目标,加强能力建设,努力构建现代人民防空体系。工程布局不断优化、警报统控率达到95%、规范人防审批程序、宣传教育全面普及。
(二)存在的问题。受体制机制和发展环境等诸多因素制约,新区人防建设发展存在一些问题,主要表现在组织机构不健全、人防队伍不稳定、人防专业力量薄弱、不能有效履行人民防空使命任务等方面。
(三)“十四五”发展举措。兰州新区防空为人民防空一类重点防护。坚持人防建设与城市建设相结合、与经济社会建设相结合,着眼保增量、优布局、调结构、强管理要求,建设布局合理、功能完备、防护设施配套的防护体系,提高综合防护能力。完善人防工程布局,民用建筑依法修建防空地下室应建必建,人员掩蔽工程占比不低于70%,医疗救护工程不低于3%,城市城区人口人均防护面积达到1平方米,力争达到省会城市1.3平方米的标准。
(1)加强人防部门和自然资源部门的联动,不断完善民用建筑修建防空地下室项目审批机制,落实在修详规审查前核实人防“结建”要求,确保人防建设与城市规划建设紧密结合;同时,在施工图审查前,需将项目人防结建意见反馈图审单位,通过部门联动,实现“应建必建”的目标。加强人防易地建设费收缴管理,规范人防易地建设费收缴工作,保证申请人防易地建设项目按照时间节点足额缴纳建设费,做到“应收尽收”。
(2)通过购买第三方技术服务,配合开展人防工程质量监督和安全管理工作,对新区范围内在建工程逐一检查,督促建设单位及时整改。通过严格落实人防工程质量法人终身责任制,持续加强人防工程质量安全监管,加强事前、事中、事后的管理,切实提升人防工程建设质量。
(3)加快推进人防工程竣工验收,督促企业进行防护(化)设备产品质量检测,争取人防工程竣工即予以验收。同时,结合新区实际,依托第三方技术服务机构进行新区人防工程质量安全监督工作,不断加大人防工程建设过程中的监督力度,保证新区人防工程质量。
六、电力发展规划建设
(一)电网现状
1.电源建设情况
截至2020年底,兰州新区共有3家电厂,均为新能源发电,装机容量总计89.5mw。电源情况如下表所示:

2.330kv电网
截至2020年底,兰州新区共有330kv公用变电站2座。其中,中川主变容量配置(3×360)mw,2020年最大负荷341.2mw,最大负载率为31.59%;兰州西主变容量配置(3×240)mw,2020年最大负荷232.5mw,最大负载率为32.29%。330kv变电站情况如下表所示:

3.110kv电网
(1)110kv变电站
截至2020年底,兰州新区共有110kv公用变电站9座,主变18台,容量958mw,10kv出线间隔总数189个,已用124个,剩余75个,10kv间隔利用率60.3%。110kv变电站情况如下表所示:

(2)110kv线路
截至2020年底,兰州新区共有110kv公用线路21条,线路全长260.21km,其中架空线路长度256.7km,电缆线路长度3.51km。110kv线路情况如下表所示:

4.35kv电网
(1)35kv变电站
截至2020年底,兰州新区共有35kv公用变电站7座,主变14台,容量101.3mw,10(6)kv出线间隔总数39个,已用32个,剩余7个,10(6)kv间隔利用率82.05%。35kv变电站情况如下表所示:

(2)35kv线路
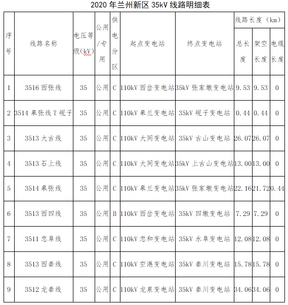
截至2020年底,兰州新区共有35kv公用线路9条,线路全长140.41km,其中架空线路长度139.97km,电缆线路长度0.44km。35kv线路情况如下表所示:

5.10kv及以下电网
截至2020年底,兰州新区共有10kv公用线路100条,其中架空线路90条,电缆线路10条;线路全长1234.39km,其中架空线路1179.16km,电缆线路55.23km。共有10kv配变2172台,容量1391.28mw,其中公用配变459台,容量99.79mw,专用配变1713台,容量1291.49mw。共有0.4kv线路700条,线路长度710.99km,其中投运年限在15年以上的线路长度为193.64km,导线截面在70mm²以下裸导线长度为317.15km。
(二)“十四五”电力需求预测
1.兰州新区近期负荷预测
(1)电力市场调研情况。为精准把握兰州新区“十四五”期间供电负荷需求、保障用电问题,供电公司组织人员深入兰州新区各个地区开展调研。本次调研共涉及5个供电所,收集82条用户用电需求,涉及报装131.27万kw。

(2)电力需求预测结果。据各种模型预测结果,结合兰州新区实际情况,提出电量、负荷预测的高、中、低三个方案,经过综合分析测算及人工干预,得到兰州新区“十四五”期间电力需求预测结果。

至2025年,预测兰州新区电量将达到42亿kwh,最大负荷将达到1002mw,年均增长率分别为22.35%、20.9%,最大负荷利用小时数为4191h。
(三)配电网规划建设
1.规划目标
(1)总体目标。强化规划引领作用,提升配电网精准规划水平,促进电网精准投资,提升供电可靠性。2023年初步建成结构合理、安全可靠、技术先进、智能高效的现代化配电网,2025年全面建成现代数字化配电网。
构建协调发展的电网结构。优化高压配电网结构,网架采用单链式结构,局部可采用双辐射结构,取消单辐射和双辐射串供结构。简化和优化中压配电网结构,取消无效和低效联络,网架采用架空网适度分段单联络结构,电缆网以单环网为主,双环网或双射结构为辅的方式建设。联络线路采用站间方式,搭建不同主变线路的负荷转移通道,减少站内不同母线的出线联络。
(2)2023年发展目标
供电能力:10kv户均配变容量达到2.5kva以上,线路和配变平均负载率达到35%,解决重过载问题,降低轻载比例。
网络结构:10kv配网接线模式标准化率达到100%,城区联络率达到100%,n-1通过率达到100%,线路平均分段数控制到3-5段。
供电质量:供电可靠性达到99.975%,综合电压合格率达到99.993%。
配电自动化:配电自动化有效覆盖率达到70%。
(3)2025年发展目标
将兰州新区电网建成供电能力强、结构合理、适应性强、运行灵活、可靠性高、经济合理、安全稳定的现代化坚强电网。
供电能力:10kv户均配变容量达到4.2kva,线路和配变平均负载率达到40%,无轻、重载主变、线路、配变。
网络结构:10kv配网接线模式标准化率达到100%,城区联络率达到100%,n-1通过率达到100%,线路平均分段数控制到3-4段;c类区域适度联络。
供电质量:供电可靠性达到99.99%,综合电压合格率达到99.995%。
配电自动化:配电自动化有效覆盖率达到100%。
(4)2035年发展目标
在2035年配电网规划目标的基础上,各关键性指标再提升一个档次,10kv户均配变容量达到5-6kva,配电网n-1通过率达到100%,各级电网接线标准化率达到100%。将兰州新区配电网构建成为世界领先水平的现代化一流配电网。
2.重点建设
根据兰州新区供电区10kv及以下配电网的现状及存在问题,“十四五”期间结合变电站新增布点,重点提升以下几个方面。
(1)推进城区电缆线路建设。中心城区承担着新区主要的商贸、居住和文化服务等功能,是新区金融服务中心,也是负荷最为集中的地区。由于受线路走廊通道和同杆架设回路数的限制,架空线路在城区街道内左右横跨,其他行业借助架空线路杆塔私拉乱扯现象非常严重,不但影响城市的美观和形象,同时也给运行中的线路和设备带来不安全因素。架空线路运行方式不灵活,易受外力破坏,时常造成故障,对居民的正常生活和社会生产产生较大影响。随着城市的快速发展,架空线路暴露出很多与中心城区发展不协调的矛盾。因此,“十四五”期间,将城区架空线路改为地下电力电缆是解决矛盾的重要举措。
(2)优化配网,满足需求。2021年110kv马家山变配套送出项目,增强机场南高新片区的供电可靠性;2023年110kv精细化工变配套送出项目,满足化工园区和新增项目的用电需求,同时优化片区网架结构,提高线路安全运行及供电可靠性。2024-2025年依托110kv肖家窑变、高铁变、昆仑路变、永定河街变、科教变配套送出项目,满足东南片区、高铁片区、城市矿产园区、科教园区等新增负荷需求,同步推进兰州新区网架结构调整,逐渐向目标网架过渡。
(3)提升配电设备水平。2020年兰州新区共有运行年限超过15年的配变84台、线路160km,结合中压设备运行情况,针对运行年限超过15年的设备,实施差异化改造。运行年限超过15年运行情况良好的,重点跟踪其运行情况,适时进行改造;运行年限超过15年存在安全隐患或出现故障次数较多的设备,结合故障清单进行改造,提高配网装备水平和防灾抗灾能力。
(4)推行标准化应用。合理划分变电站供电范围,通过解除首端联络、多联络等举措,着力解决馈线组联络复杂、网络结构不清晰、无效联络等问题。结合变电站10kv馈线,具备条件的一次性建成目标网架结构,不具备条件的逐年改造、过渡至目标网架,提高网架标准化率,从根本上解决电网存在的问题。至2025年,建成标准网架接线方式101组,网架标准化率提升至100%。
按照“统一规划、统一标准、统一建设”的原则,结合主城区、乡镇镇区和农村地区负荷需求和供电可靠性的差异,选择不同的终端和建设模式,优先选择重点区域的开关站、环网箱进行改造,按照标准馈线自动化“一线一案”原则完成终端、保护配置及光纤建设,结合一、二次融合改造,逐步提升配电自动化有效覆盖率。至2025年,兰州新区配电自动化有效覆盖率提升至100%。
(四)各级电网规划建设
1.35kv及以上电网规划建设时序。“十四五”期间,兰州新区共计新建330kv变电站3座,总容量2160mw;110kv变电站7座,总容量804mw。至2025年,兰州新区共有330kv变电站5座;总容量3960mw,110kv变电站16座,总容量1845mw;35kv变电站6座,总容量94.3mw。至2035年,兰州新区将有330kv变电站7座,总容量5400mw;110kv变电站39座,总容量4665mw。

2.“十四五”期间110千伏电网规划建设。根据兰州新区配电网发展建设需求,对“十四五”期间兰州新区配电网规划35千伏及以上电网基建项目及建设时序建议如下:
(1)甘肃兰州新区精细化工110千伏输变电工程。化工园区位于兰州新区西北部,重点发展精细化工新材料、产品研发和中试、医药中间体及仓储物流产业集群,园区现由110千伏胜利变(2×63兆瓦)供电,已开工项目总数53个,已报装电力用户62户,报装总容量29.4万千伏安。现有110千伏胜利变已无法满足园区新增负荷及部分高危化工企业双电源用电需求。新建变电站位于纬五十一路和经三十九路交叉口西北角区域,计划2023年实施,建成后可满足化工园区新增用电负荷及用户高可靠性用电需要,优化兰州新区电网结构,提高供电可靠性。
(2)甘肃兰州新区肖家窑110千伏输变电工程。兰州新区城市矿产循环和表面处理产业园位于兰州新区东北部,重点发展拆解再利用、再生资源、表面处理加工及仓储配送产业,预测园区饱和负荷46.13万千瓦。目前园区内仅有1条10千伏线路供电,供电能力有限、供电可靠性较低,无法满足园区新增负荷用电需求。因此,需要在产业园区内部新建110kv变电站,规划道路辅西路和货站北路交叉口西北角,计划2023年实施,建成后可满足城市矿产循环和表面处理产业园新增负荷用电需求,优化兰州新区东北部电网结构,提高供电可靠性。
(3)甘肃兰州新区b8昆仑路110kv输变电工程。兰州新区中部产业园周围有兰石集团、兰驼厂、青岛啤酒等大型厂区,用电负荷较大,用电负荷主要以商业、居民、文化旅游以及各机关单位为主,对供电可靠性要求较高。目前中部片区的新增负荷主要为兰石集团和在建的亚太澳泊、兰州军区为主。预计2025年中部片区负荷为180兆瓦,2030年为250兆瓦。因此,计划在经十二路与纬十八路交界处西北角新建变电站,2024年实施。建成后可优化兰州新区的电网结构,缓解现有两座变电站的供电压力,近一步优化供电半径,提高供电质量。
(4)甘肃兰州新区高铁110千伏输变电工程。兰州新区高铁站南位于水秦路与南绕城交叉口,为中卫至兰州客运专线上的重要车站,以高铁站为中心建设“高铁商务中心区”,预计2025年区域负荷为50兆瓦。为保障用电负荷,经三十二路和南绕城快速路叉口东南角新建变电站,计划2024年实施,建成后可满足高铁片区新增负荷用电需要,优化兰州新区电网结构。
(5)甘肃兰州新区永定河街110kv输变电工程。新区机场北高新技术产业园区地处兰州新区中部靠东,兰州中川机场东北侧,新增负荷主要为新建居民小区及商业负荷,规划建设项目有兰州工业学院、兰州外语职业学院、省体育馆、文曲湖景园、航校公共设施,朋克汇商业综合体等商业中心。预计2025年负荷为93.55兆瓦,2030年为278.12兆瓦。计划在经二十九路北延段与jk26#(赣江街)交界处西南角新建变电站,2025年实施。建成后可满足兰州新区东部建设负荷增长的需求,优化兰州新区城区电网结构,提高供电可靠性。
(6)甘肃兰州新区科教110千伏输变电工程。职教园区位于兰州新区中东部,分为省统建“三校一区”、市统建两校和6所自建院校三部分。目前已建成院校7所,还有10所院校正在开工建设,2025年预计负荷为100兆瓦。计划在经二十九路和纬六东路叉口西南角新建变电站,2025年实施。建成后可满足科教园区新增负荷发展需要。
(7)甘肃兰州新区35千伏岘子变改造工程。35千伏岘子变位于兰州新区东南片区主变2台,容量6.3兆瓦,现有6千伏出线间隔4个,间隔利用率100%。区域内现有冰雪新天地滑雪场、甘肃新希望六和百万头生猪养殖、千亩高标准农田等新增用电负荷,现有35千伏岘子变已无法满足区域负荷发展需求。计划2025年将35千伏岘子变就地升压改造,提升配网联络率及互联互供能力,提高供电可靠性。
(8)甘肃兰州新区四墩110千伏输变电工程。四墩区域位于兰州新区中北部,区域内拆迁改造1个行政村、2个自然村,区域内以工业加工为主,目前由35千伏四墩变(2 5兆伏安)供电,2025年预计负荷为80兆瓦,现有35千伏四墩变供电能力不足,无法满足新增负荷用电需求。计划对原35千伏四墩变进行升压改造,2025年实施。
3.10千伏电网规划建设。“十四五”期间,兰州新区10千伏电网共规划新建线路124条,新建架空线路603.3公里,新建电缆线路12.7公里,新建开关站1座,新建环网柜37座,新建柱上开关460台,改造架空线路169.75公里,改造电缆线路115.12公里,改造柱上开关113台。具体分年度建设情况如下表所示。

4.配电自动化建设。结合配电自动化终端配置原则,合理部署配电自动化实施,现存的开关设备需进行更换改造。“十四五”期间改造113台柱上开关,新建一二次融合开关460台,至2025年实现配电自动化全覆盖。

(五)站址及廊道规划建设
1.变电站布局规划。按照《电力设施保护条件实施细则》有关规定,确保变电站和输变电线路两侧的安全防护距离。防护距离内不得有机关、学校和民居等敏感目标;符合区域规划用地布局、环境保护、消防安全和城市景观要求;尽可能靠近负荷中心,便于进出线,交通方便,给排水、施工、运行方便;避开易燃、易爆及污染严重的设施和地区;站址满足防洪标准要求,站址不能被洪水淹没及受山洪冲刷(330千伏及以上变电站站址标高宜在百年一遇洪水位之上,110千伏变电站宜在50年一遇洪水位之上,并高于最高内涝水位);站址条件适宜,避开地震断裂带及不良地质地区;应考虑对周围环境和临近其它设施的影响与协调,采取措施后与临近设施(如机场导航台、地震台等)相互影响在允许范围内。
2.高压线路布局规划。线路布局规划应与城市规划、国土空间规划等相协调,与周边环境的安全距离应符合规范要求;线路布局规划尽可能利用现有廊道,路径尽可能短捷、顺直,减少与道路、河流、铁路等的交叉,避免跨越建筑物,110千伏及以上高压架空线路应规划专门通道,变电站出口段的线路路径应根据其远景进出线的要求,统一规划预留,可结合实际条件,采用同塔多回架设或多回线路同管沟敷设,提高单位走廊的输送容量和土地资源利用率;应避开空气严重污秽区或有爆炸危险品的建筑物、堆场、仓库;应满足防洪、抗震要求。

3.中压廊道布局规划。根据满足各级负荷供电需求,按照集约化原则,考虑变电站送出及主干电缆联络组网,以及开关站馈出至用户分支通道(含馈出支线与主干电缆通道并行)等情况,10千伏电缆敷设方式有几种情况。变电站送出及用户密集区域线路,按照主干道路双侧3*5或者双侧3*4规划;一般主干道路,承载主干电缆送出至开关站或环网柜线路,按照主干道路单侧3*5或者单侧3*4规划;用于开关站或环网柜送出至用户线路,按照3*3规划。

(六)投资估算及规划成效
1.投资估算情况。“十四五”期间,兰州新区10千伏及以下电网共规划投资6.3282亿元,其中新建工程投资2.3323亿元,改造工程投资3.9959亿元。
2.规划成效情况。从供电质量、电网结构、装备水平、经济效益、供电能力、智能化水平6个一级指标、12个二级指标进行成效分析,具体如下:
(1)提高供电能力和质量。至2025年,供电可靠率(rs-3)由99.95%提升至99.99%,综合电压合格率由99.99%提升至99.995%,户均配变容量由2.3kw提升至4.2kw。
(2)优化网架结构。至2025年,10kv线路联络率由54%提升至96.38%,10kv线路n-1通过率由37%提升至96.38%,10kv线路平均分段数由1.99提升至3.1。
(3)提高经济效益及自动化水平。至2025年,110kv及以下综合线损率由2.7%降低至2.5%,配电自动化有效覆盖率由36%提升至100%。

附件:附图
兰州新区


